°ü¸®ÀÚ ·Î±×ÀÎ
ȸ»ç¾È³» Á¦Ç°¾È³» ÁÖ¹®/¹®ÀÇ Á¦ÀÛ»ç·Ê ±â¼ú ÀÚ·á½Ç °øÁö»çÇ×

 ¡á15½Ã¸®Áî
 ¡á30½Ã¸®Áî
 ¡á20½Ã¸®Áî
 ¡á40½Ã¸®Áî
 ¡á45½Ã¸®Áî
 ¡á80½Ã¸®Áî
 ¡á50½Ã¸®Áî
 ¡á60½Ã¸®Áî
 ¡á90½Ã¸®Áî
 ¡á´öÆ® ÇÁ·¹ÀÓ
 ¡á¾Þ±Û ÇÁ·¹ÀÓ
 ¡áÆò ÇÁ·¹ÀÓ
 ¡áÄܺ£¾î ÇÁ·¹ÀÓ
 ¡á±âŸ ÇÁ·¹ÀÓ
 ¡á´ÙÀÌÄɽºÆÃ ºê¶óÄÏÆ®
 ¡á½ºÆ¿ ºê¶óÄÏÆ®
 ¡á°æÃ¸
 ¡áº¼Æ®/³ÊÆ®
 ¡á¼ÕÀâÀÌ
 ¡áÁ¶ÀÎÆ®
 ¡á±âŸ ¾Ç¼¼»ç¸®


°Ë»öÇϱâ : Á¦Ç°¹øÈ£
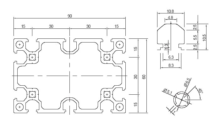
ÇöÀçÀ§Ä¡ : Á¦Ç°¾È³» > ALÇÁ·ÎÆÄÀÏ > 60½Ã¸®Áî
Á¦Ç°¸í : 6090N1 (Á¦Ç°¹øÈ£ : 758)
Ç׸ñ »ç¾ç
Çü ¹ø NPE6090-01
Àç Áú A6063S-T5
´Ü¸éÀû 1299.29§±
´ÜÁß·® 3.508kg/m
´Ü¸é 2Â÷ ¸ð¸àÆ® lx = 57.37cm4
ly = 120.1cm4
Ç¥¸éó¸® Sliver Anodizing £« Sealing



»óÈ£ : »ï¸³¹ÙÄûÇÁ·ÎÆÄÀÏ ´ëÇ¥ : ±Ç¿ÀÇö »ç¾÷ÀÚ¹øÈ£ : 134-23-48193
ÁÖ¼Ò : °æ±âµµ ¾È»ê½Ã ´Ü¿ø±¸ ¿ø°îµ¿ À¯Åë»ó°¡ 11µ¿ 101È£
ÀüÈ­ : 031)492-3509 ÆÑ½º : 031)492-3510, E-Mail : caster@icaster.co.kr