|
|
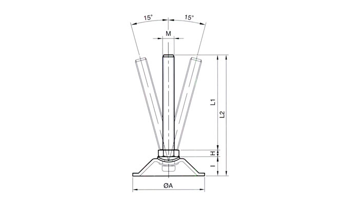
 | Ư¡ : ¹Ù´Ú °æ»ç¸é
¿ëµµ : Äܺ£¾î, °øÀÛ±â°è, ÀÚµ¿È¼³ºñ
¡Ø ±âŸƯ¼ö»ç¾çÀº ÁÖ¹®Á¦ÀÛÇÔ | ¡á ¾ÆÀÌÄÜ ¹ü·Ê
¡á »ç¾ç
| MODEL |
DIMENSIONS(mm) |
MATERIALS |
Çã¿ëÇÏÁß
(Kg/4EA) |
Ç¥¸éó¸® |
| L1 |
L2 |
H |
I |
A |
M |
BOLT & NUT |
ÇϺΠ|
A-PL-12
A-PLS-12 |
60 |
83 |
8 |
15 |
¡Ë55 |
M12*1.75 |
S10C
SUS304 |
SPC(3t)
SUS304(3t) |
500 |
´ÏÄ̵µ±Ý(Ni)
Æ÷¸®½Ì(PL) |
| 90 |
113 |
| 120 |
143 |
| 150 |
173 |
A-PL-16
A-PLS-16 |
50 |
75 |
10 |
15
20 |
¡Ë55
¡Ë75 |
M16*2.0 |
800 |
| 80 |
| 80 |
105 |
| 110 |
| 100 |
125 |
| 130 |
| 130 |
155 |
| 160 |
| 150 |
175 |
| 180 |
| 180 |
205 |
| 210 |
| 200 |
225 |
| 230 |
A-PL-20
A-PLS-20 |
100 |
133 |
13 |
20 |
¡Ë75 |
M20*2.5 |
1000 |
| 130 |
163 |
| 150 |
183 |
| 180 |
213 |
| 200 |
233 |
|
|