|
|
 | Ư¡ :
- ¾Æ¿¬µµ±Ý
- º¼º£¾î¸µ »ç¿ëÀ¸·Î ±¸¸§¼ºÀÌ Å¹¿ù.
¿ëµµ :
- °íÇÏÁß¿ë ·¹ÀÏ ÀÌ¿ë.
- »ç°¢ÆÄÀÌÇÁ ¶Ç´Â ·¹ÀÏ.
- ·¹ÀÏ 9kg 35mm °íÇÏÁß¿ë.
- ·¹ÀÏ 30~33kg 65mm °íÇÏÁß¿ë |
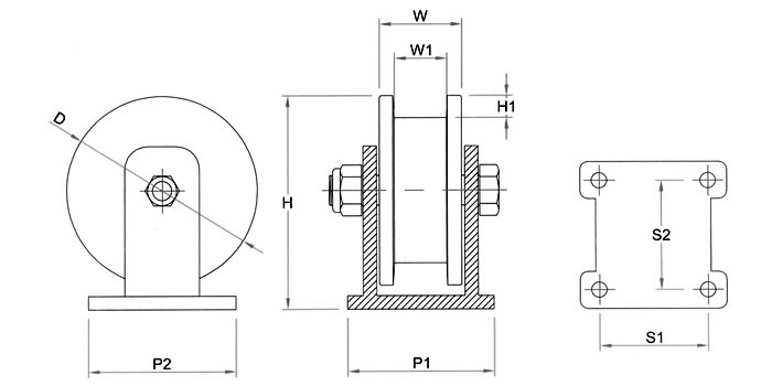
¡á ±Ô°ÝÇ¥(³·À½¿ë)
| ǰ¹ø |
»óǰ¸í |
¹ÙÄû¿Ü°æ
(D) |
¹ÙÄûÆø
(W) |
È¨Æø
(W1) |
Àüü³ôÀÌ
(H) |
Ȩ±íÀÌ
(H1) |
¹ØÆÇ³ÐÀÌ
(P1-P2) |
º¼Æ®°£°Å¸®
(S1-S2) |
º¼Æ®È¦
(B) |
»ðÀÔº£¾î¸µ
(Z) |
Çã¿ëÇÏÁß
(kg) |
| HC-32084 |
HC-PRRD 5" |
130 |
55 |
35 |
144 |
15 |
96-99 |
72.5-73.5 |
10.5 |
6204 |
800 |
| HC-32085 |
HC-PRRD 6" |
150 |
92 |
65 |
172 |
24 |
180-130 |
147-97.5 |
14.5 |
6304 |
1000 |
|
|