°ü¸®ÀÚ ·Î±×ÀÎ
ȸ»ç¾È³» Á¦Ç°¾È³» ÁÖ¹®/¹®ÀÇ Á¦ÀÛ»ç·Ê ±â¼ú ÀÚ·á½Ç °øÁö»çÇ×

 ¡á°æÇÏÁß¿ë
 ¡áÁßÇÏÁß¿ë
 ¡á°íÇÏÁß¿ë
 ¡áǪƮ ¸¶½ºÅ¸
 ¡áij¸®¸¶½ºÅ¸
 ¡áÈÙ¸¶½ºÅ¸
 ¡á¿ÏÃæ¿ë
 ¡á½ºÅÙ·¹½º(SUS)¹ÙÄû
 ¡áAGV(ÀÚÀ²ÁÖÇà)ij½ºÅÍ
 ¡á°íÇÏÁß Ã¶¹ÙÄû
 ¡á·¹ÀϹÙÄû
 ¡á¾Þ±Û¹ÙÄû
 ¡áÇ×°¡
 ¡áÇ×°¡Â÷-ÇÏÂ÷
 ¡áÇ×°¡ ºê¶óÄÏ
 ¡áÆ®·Î¸®
 ¡á¹ÙÄûÈÙ
 ¡á¹ÙÄûÈÙ-Ư¼ö
 ¡á±âŸ


°Ë»öÇϱâ : Á¦Ç°¹øÈ£
ÇöÀçÀ§Ä¡ : Á¦Ç°¾È³» > »ê¾÷¿ë ¹ÙÄû > ¾Þ±Û¹ÙÄû      
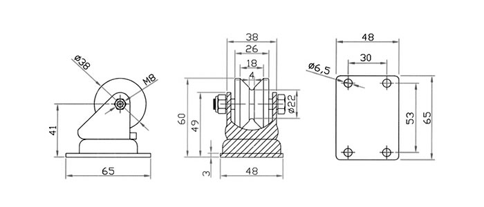
Á¦Ç°¸í : V¾Þ±Û Ç÷¹ÀÌÆ® ȸÀü (Á¦Ç°¹øÈ£ : 332)

¡á ±Ô°ÝÇ¥
ǰ¹ø »óǰ¸í »ðÀÔº£¾î¸µ
(Z)
Çã¿ëÇÏÁß
(kg)
HC-42002 HC-PVS 38 608 150


»óÈ£ : »ï¸³¹ÙÄûÇÁ·ÎÆÄÀÏ ´ëÇ¥ : ±Ç¿ÀÇö »ç¾÷ÀÚ¹øÈ£ : 134-23-48193
ÁÖ¼Ò : °æ±âµµ ¾È»ê½Ã ´Ü¿ø±¸ ¿ø°îµ¿ À¯Åë»ó°¡ 11µ¿ 101È£
ÀüÈ­ : 031)492-3509 ÆÑ½º : 031)492-3510, E-Mail : caster@icaster.co.kr