|
|
 |
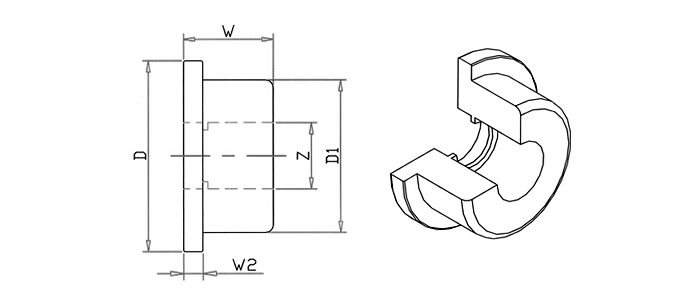
¡á ±Ô°ÝÇ¥(Hºö·Î¶ó ¾ÆÀ̺¸¸®»ö [HC-MCRI])
| ǰ¹ø |
»óǰ¸í |
¹ÙÄû¿Ü°æ
(D) |
¹ÙÄûÆø
(W) |
¹ÙÄû¿Ü°æ
(D1) |
·Î¶óÅÎ
(W2) |
»ðÀÔº£¾î¸µ
(Z) |
Çã¿ëÇÏÁß
(kg) |
| HC-82012 |
HC-MCR 5" I |
130 |
70 |
100 |
15 |
6206/6304 |
500 |
| HC-82013 |
HC-MCR 6" I |
150 |
70 |
120 |
15 |
6206/6304 |
700 |
| HC-82014 |
HC-MCR 8" I |
200 |
70 |
160 |
15 |
6206/6304 |
800 |
| HC-82015 |
HC-MCR 10" I |
250 |
70 |
210 |
15 |
6206/6304 |
1000 |
| HC-82016 |
HC-MCR 4" I |
100 |
70 |
82 |
10 |
6204 |
500 |
|
|