|
|
 |
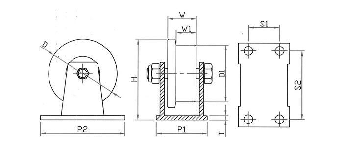
¡á ±Ô°ÝÇ¥
| ǰ¹ø |
»óǰ¸í |
¹ÙÄû¿Ü°æ
(D-D1) |
¹ÙÄûµÎ²²
(W-W1) |
Àüü³ôÀÌ
(H) |
»Ñ¶óÄÏ
(T) |
¹ØÆÇ³ÐÀÌ
(P1-P2) |
º¼Æ®°£°Å¸®
(S1-S2) |
º¼Æ®È¦
(B) |
º£¾î¸µ
(Z) |
Çã¿ëÇÏÁß
(kg) |
| HC-32073 |
HC-MCPRR 2" |
50-38 |
26-18.5 |
60 |
4 |
42-68 |
25-53 |
7.5 |
6000 |
100 |
| HC-32074 |
HC-MCPRR 2-1/2" |
65-54 |
27-19 |
78 |
4 |
48-80 |
29-65 |
8.5 |
6000 |
120 |
| HC-32075 |
HC-MCPRR 3" |
75-60 |
39-30 |
84 |
4 |
67-95 |
46-75 |
10.3 |
6201 |
150 |
| HC-32076 |
HC-MCPRR 4" |
100-81 |
45-39 |
114 |
6 |
100-114 |
73-83 |
10.5 |
6301 |
300 |
| HC-32077 |
HC-MCPRR 5" |
130-100 |
70-55 |
157 |
9 |
114-159 |
74-129 |
12.5 |
6304 |
800 |
| HC-32078 |
HC-MCPRR 4"-4 |
100-82 |
70-60 |
142 |
9 |
114-159 |
74-129 |
12.5 |
6204 |
500 |
¡á ±Ô°ÝÇ¥(³ôÀ½¿ë)
| ǰ¹ø |
»óǰ¸í |
¹ÙÄû¿Ü°æ
(D-D1) |
º£¾î¸µ
(Z) |
Çã¿ëÇÏÁß
(kg) |
| HC-82009 |
HC-MCR 50 |
50-38 |
600 |
100 |
| HC-82010 |
HC-MCR 65 |
65-54 |
6000 |
120 |
| HC-82011 |
HC-MCR 75 |
75-60 |
6201 |
150 |
|
|