|
|
 |
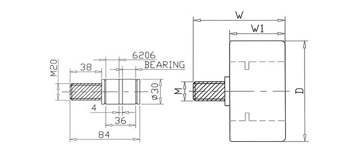
¡á ±Ô°ÝÇ¥(Hºö -ÀÚÇü)
| ǰ¹ø |
»óǰ¸í |
¹ÙÄû¿Ü°æ
(D) |
Àüü±æÀÌ
(W) |
¹ÙÄûÆø
(W1) |
º¼Æ®
(M) |
»ðÀÔº£¾î¸µ
(Z) |
Çã¿ëÇÏÁß
(kg) |
| HC-32019 |
HC-Åι« H 4" |
83 |
84 |
42 |
20 |
6206 |
600 |
| HC-32020 |
HC-Åι« H 5" |
106 |
101 |
58 |
20 |
6206 |
800 |
¡á ±Ô°ÝÇ¥(ÀÜ³Ú Å×ÀÌÆÛÇü)
| ǰ¹ø |
»óǰ¸í |
¹ÙÄû¿Ü°æ
(D-D1) |
Àüü±æÀÌ
(W) |
¹ÙÄûÆø
(W1) |
º¼Æ®
(M) |
»ðÀÔº£¾î¸µ
(Z) |
Çã¿ëÇÏÁß
(kg) |
| HC-32021 |
HC-Åι« 4" TR |
88-83 |
84 |
42 |
20 |
6206 |
600 |
| HC-32022 |
HC-Åι« 5" TR |
114-106 |
101 |
58 |
20 |
6206 |
800 |
|
|