|
|
 | | ¿ëµµ : ¸®ÇÁÆ®¿ë |
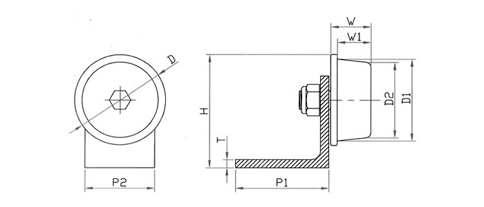
¡á ±Ô°ÝÇ¥(Àܳڿë Å×ÀÌÆÛÇü)
| ǰ¹ø |
»óǰ¸í |
¹ÙÄû¿Ü°æ
(D |
¹ÙÄû¿Ü°æ
(D1-D2) |
¹ÙÄûÆø
(W-W1) |
Àüü³ôÀÌ
(H) |
ºê¶óÄÏ
(T) |
¹ØÆÇ³ÐÀÌ
(P1-P2) |
º£¾î¸µ
(Z) |
Çã¿ëÇÏÁß
(kg) |
| HC-32010 |
HC-TRL3 |
79 |
64-58 |
38-30 |
103 |
9 |
89-60 |
6004 |
400 |
| HC-32011 |
HC-TRL4 |
98 |
89-81.5 |
43-36 |
123.5 |
9 |
100-75 |
6204 |
800 |
| HC-32012 |
HC-TRL5 |
138 |
113-106 |
45-36 |
174 |
12 |
130-85 |
6304 |
1000 |
| HC-32013 |
HC-TRL6 |
148 |
128-120 |
44-35 |
179 |
12 |
130-85 |
6304 |
1000 |
| HC-32014 |
HC-TRL8 |
200 |
172-165 |
44-35 |
204 |
12 |
130-85 |
6304 |
1500 |
| HC-32015 |
HC-3TRL75 |
75 |
64-56 |
39-32 |
100 |
9 |
89-60 |
6005 |
500 |
| HC-32016 |
HC-4TRL98 |
98 |
88-83 |
49-40 |
123 |
9 |
100-75 |
6206 |
600 |
| HC-32017 |
HC-5TRL128 |
128 |
114-106 |
54-42 |
170 |
12 |
130-85 |
6206 |
800 |
| HC-32018 |
HC-6TRL148 |
148 |
131-121 |
60-45 |
179 |
12 |
130-85 |
6206 |
800 |
| H*B |
t1 |
t2 |
r1 |
r2 |
| 75*40 |
5 |
7 |
8 |
4 |
| 100*50 |
5 |
7.5 |
8 |
4 |
| 125*65 |
6 |
8 |
8 |
4 |
| 150*75 |
6.5 |
10 |
10 |
5 |
| 200*80 |
7.5 |
11 |
12 |
6 |
| 200*90 |
8 |
13.5 |
14 |
7 |
| 250*90 |
9 |
13 |
14 |
7 |
| 300*90 |
9 |
13 |
14 |
7 |
| 380*100 |
10.5 |
16 |
18 |
9 |
| 380*100 |
13 |
20 |
24 |
12 |
|
|