|
|
 | | ¿ëµµ : ¸®ÇÁÆ®¿ë. |
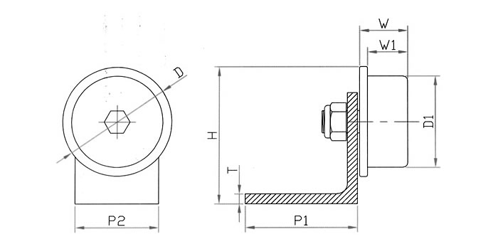
¡á ±Ô°ÝÇ¥
| ǰ¹ø |
»óǰ¸í |
¹ÙÄû¿Ü°æ
(D-D1) |
¹ÙÄûÆø
(W-W1) |
Àüü³ôÀÌ
(H) |
ºê¶óÄÏ
(T) |
¹ØÆÇ³ÐÀÌ
(P1-P2) |
º£¾î¸µ
(Z) |
Çã¿ëÇÏÁß
(kg) |
| HC-32001 |
HC-RL3 |
79-59 |
38-30 |
103 |
9 |
89-60 |
6004 |
400 |
| HC-32002 |
HC-RL4 |
98-81.5 |
43-36 |
123.5 |
9 |
100-75 |
6204 |
800 |
| HC-32003 |
HC-RL5 |
138-107 |
45-36 |
174 |
12 |
130-85 |
6304 |
1000 |
| HC-32004 |
HC-RL6 |
148-127 |
44-35 |
179 |
12 |
130-85 |
6304 |
1000 |
| HC-32005 |
HC-RL8 |
200-170 |
44-35 |
204 |
12 |
130-85 |
6304 |
1500 |
| HC-32006 |
HC-3RHR |
75-80 |
39-32 |
100 |
9 |
89-60 |
6005 |
500 |
| HC-32007 |
HC-4RHR |
98-83 |
49-40 |
123 |
9 |
100-75 |
6206 |
600 |
| HC-32008 |
HC-5RHR |
128-107 |
54-42 |
170 |
12 |
130-85 |
6206 |
800 |
| HC-32009 |
HC-6RHR |
148-128 |
60-45 |
179 |
12 |
130-85 |
6206 |
800 |
| H*B |
t1 |
t2 |
| 100*75 |
3.0 |
4.5 |
| 100*100 |
3.2 |
4.5 |
| 100*100 |
6.0 |
9.0 |
| 125*75 |
3.2 |
4.5 |
| 125*100 |
3.2 |
4.5 |
| 125*125 |
6.0 |
9.0 |
| 150*75 |
3.2 |
4.5 |
| 150*75 |
5.0 |
7.0 |
| 150*100 |
3.2 |
4.5 |
| 200*100 |
3.2 |
4.5 |
| 200*100 |
3.2 |
6.0 |
|
|