|
|
 |
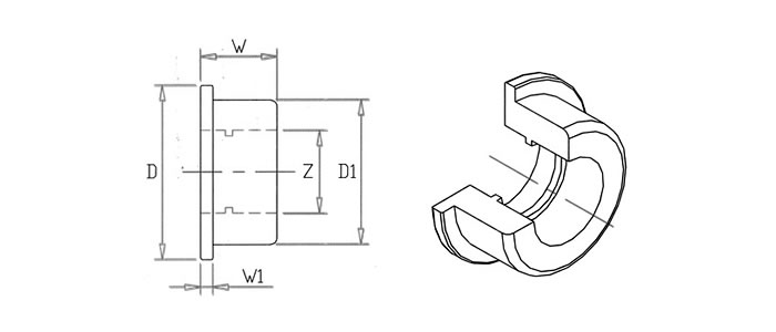
¡á ±Ô°ÝÇ¥(·¹ÀϹÙÄû Hºö¿ë)
| ǰ¹ø |
»óǰ¸í |
¹ÙÄû¿Ü°æ
(D) |
¹ÙÄûÆø
(W) |
¹ÙÄû¿Ü°æ
(D1) |
·Î¶óÅÎ
(W1) |
»ðÀÔº£¾î¸µ
(Z) |
Çã¿ëÇÏÁß
(kg) |
| HC-81093 |
HC-R3 |
80 |
38 |
59 |
8 |
6004 |
400 |
| HC-81094 |
HC-R4 |
100 |
43 |
81.5 |
7 |
6204 |
800 |
| HC-81095 |
HC-R5 |
138 |
45 |
107 |
9 |
6304 |
1000 |
| HC-81096 |
HC-R6 |
148 |
44 |
127 |
9 |
6304 |
1000 |
| HC-81185 |
HC-R8 |
200 |
44 |
170 |
9 |
6304 |
1500 |
| HC-81186 |
´ÜÁ¶ HC-R4-4 |
100 |
65 |
81.5 |
7 |
6304 |
1000 |
| HC-81187 |
´ÜÁ¶ HC-R6-6 |
150 |
65 |
120 |
13 |
6306 |
1800 |
| HC-81188 |
´ÜÁ¶ HC-R8-8 |
200 |
65 |
170 |
12 |
6306 |
2000 |
| HC-81186 |
HC-R32 |
32 |
24.5 |
26 |
6 |
607 |
70 |
| HC-81187 |
HC-R40 |
40 |
26 |
28 |
7 |
608 |
80 |
| HC-81188 |
HC-R50 |
50 |
29 |
38 |
7 |
6000 |
150 |
| HC-81189 |
HC-R65 |
65 |
34 |
48 |
12 |
6000 |
160 |
| HC-81190 |
HC-R75 |
75 |
40 |
60 |
9 |
6201 |
200 |
| HC-81191 |
HC-3RH |
75 |
39 |
60 |
7 |
6005 |
500 |
| HC-81192 |
HC-4RH |
100 |
49 |
83 |
9 |
6206 |
500 |
| HC-81193 |
HC-5RH |
128 |
54 |
107 |
12 |
6206 |
600 |
| HC-81194 |
HC-6RH |
148 |
60 |
128 |
15 |
6206 |
800 |
¡á ±Ô°ÝÇ¥(¿Ã½ºÅÙ SUS ·¹ÀϹÙÄû Hºö¿ë)
| ǰ¹ø |
»óǰ¸í |
¹ÙÄû¿Ü°æ
(D) |
¹ÙÄûÆø
(W) |
¹ÙÄû¿Ü°æ
(D1) |
·Î¶óÅÎ
(W1) |
»ðÀÔº£¾î¸µ
(Z) |
Çã¿ëÇÏÁß
(kg) |
| HC-81195 |
HC-SUSR 3 |
75 |
39 |
60 |
7 |
S6005 |
500 |
| HC-81196 |
HC-SUSR 4 |
100 |
43 |
81.5 |
7 |
S6204 |
800 |
| H*B |
t1 |
t2 |
|
H*B |
t1 |
t2 |
| 100*75 |
3.2 |
4.5 |
|
200*100 |
3.2 |
4.5 |
| 100*100 |
3.2 |
4.5 |
|
200*100 |
3.2 |
6.0 |
| 100*100 |
6.0 |
9.0 |
|
200*150 |
3.2 |
6.0 |
| 125*75 |
3.2 |
4.5 |
|
200*150 |
3.2 |
9.0 |
| 125*100 |
3.2 |
4.5 |
|
200*150 |
4.5 |
9.0 |
| 125*125 |
6.0 |
9.0 |
|
200*150 |
6.0 |
4.5 |
| 150*75 |
3.2 |
4.5 |
|
200*200 |
6.0 |
9.0 |
| 150*75 |
5.0 |
7.0 |
|
250*100 |
3.2 |
4.5 |
| 150*100 |
3.2 |
4.5 |
|
250*100 |
4.5 |
9.0 |
| 150*100 |
3.2 |
6.0 |
|
250*125 |
3.2 |
4.5 |
| 150*100 |
6.0 |
9.0 |
|
250*125 |
4.5 |
6.0 |
| 150*150 |
3.2 |
6.0 |
|
250*125 |
4.5 |
9.0 |
| 150*150 |
6.0 |
9.0 |
|
250*150 |
3.2 |
4.5 |
| |
|
|
|
250*150 |
4.5 |
6.0 |
| |
|
|
|
250*150 |
4.5 |
9.0 |
|
|