°ü¸®ÀÚ ·Î±×ÀÎ
ȸ»ç¾È³» Á¦Ç°¾È³» ÁÖ¹®/¹®ÀÇ Á¦ÀÛ»ç·Ê ±â¼ú ÀÚ·á½Ç °øÁö»çÇ×

 ¡á°æÇÏÁß¿ë
 ¡áÁßÇÏÁß¿ë
 ¡á°íÇÏÁß¿ë
 ¡áǪƮ ¸¶½ºÅ¸
 ¡áij¸®¸¶½ºÅ¸
 ¡áÈÙ¸¶½ºÅ¸
 ¡á¿ÏÃæ¿ë
 ¡á½ºÅÙ·¹½º(SUS)¹ÙÄû
 ¡áAGV(ÀÚÀ²ÁÖÇà)ij½ºÅÍ
 ¡á°íÇÏÁß Ã¶¹ÙÄû
 ¡á·¹ÀϹÙÄû
 ¡á¾Þ±Û¹ÙÄû
 ¡áÇ×°¡
 ¡áÇ×°¡Â÷-ÇÏÂ÷
 ¡áÇ×°¡ ºê¶óÄÏ
 ¡áÆ®·Î¸®
 ¡á¹ÙÄûÈÙ
 ¡á¹ÙÄûÈÙ-Ư¼ö
 ¡á±âŸ


°Ë»öÇϱâ : Á¦Ç°¹øÈ£
ÇöÀçÀ§Ä¡ : Á¦Ç°¾È³» > »ê¾÷¿ë ¹ÙÄû > Ç×°¡ ºê¶óÄÏ
Á¦Ç°¸í : º£À̽ºÆÇ ÀÏ¹Ý Áß·®±Þ(ȦŸÀÔ/ÅÇŸÀÔ) (Á¦Ç°¹øÈ£ : 264)

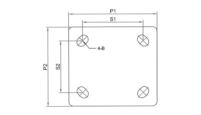
¡á ±Ô°ÝÇ¥
ǰ¹ø »óǰ¸í ÀüÀå
(P1-P2)
Ȧ°£°Ý
(S1-S2)
Ȧũ±â
(B)
ÅÜŸÀÔ
(M)
ºê¶óÄÏ
(T)
HC-61077 °æÃ¢4040/»ï¼Û6640 124-108 84-71 11¨ª M10 6T
HC-61078 °æÃ¢4060/»ï¼Û6660 124-108 84-71 11¨ª M10 6T


»óÈ£ : »ï¸³¹ÙÄûÇÁ·ÎÆÄÀÏ ´ëÇ¥ : ±Ç¿ÀÇö »ç¾÷ÀÚ¹øÈ£ : 134-23-48193
ÁÖ¼Ò : °æ±âµµ ¾È»ê½Ã ´Ü¿ø±¸ ¿ø°îµ¿ À¯Åë»ó°¡ 11µ¿ 101È£
ÀüÈ­ : 031)492-3509 ÆÑ½º : 031)492-3510, E-Mail : caster@icaster.co.kr