|
|
 | Ư¡ :
- ·¹ÀÏÀº ¿øÇüȯºÀ ¶Ç´Â ¿øÇüÆÄÀÌÇÁ »ç¿ë.
- ¼ÒÀ½ ÃÖ¼ÒÈ.
¿ëµµ : ´ë¹®, ÇϿ콺¶óÀÎ ÀÛ¾÷¿ë. |
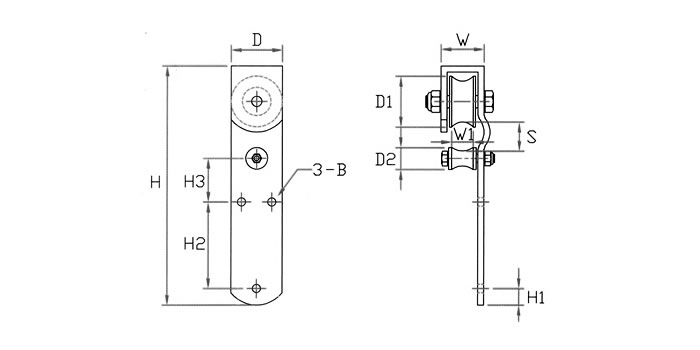
¡á ±Ô°ÝÇ¥
| ǰ¹ø |
»óǰ¸í |
¿ÜÆø
(W) |
¹ÙÄûÈ¨Æø
(W1) |
ÃÑÆø
(D) |
¿Ü°æ
(D1-D2) |
˟ˌ
(H) |
Ȧ°£°Ý
(H1-H2-H3) |
·Î¶ó»çÀÌÆø
(S) |
Ȧ±¸¸Û
(B) |
»ðÀÔº£¾î¸µ
(Z) |
Çã¿ëÇÏÁß
(kg) |
| HC-61021 |
HC-PH 1" |
42 |
21 |
50 |
50-22 |
235 |
15-84-40 |
28.5 |
8.5 |
6000 |
70 |
| HC-61022 |
HC-PH 1-1/4" |
50 |
27 |
65 |
60-22 |
294 |
22-115-42 |
40.5 |
8.5 |
6201 |
100 |
¡á ±Ô°ÝÇ¥(ÆÄÀÌÇÁÇ×°¡ »çÃ⠷ζó¸¸)
| ǰ¹ø |
»óǰ¸í |
¿Ü°æ
(D1) |
¹ÙÄûÆø
(W1) |
È¨Æø |
Ȩ±íÀÌ |
»ðÀÔº£¾î¸µ
(Z) |
Çã¿ëÇÏÁß
(kg) |
| HC-81219 |
HC-PH 1" »çÃâ·Î¶ó |
48 |
26 |
21 |
4 |
6000 |
70 |
| HC-81220 |
HC-PH 1-1/4" »çÃâ·Î¶ó |
58 |
31 |
27 |
10 |
6201 |
100 |
| HC-81221 |
HC-PH 1" »çÃâ¼Ò·Î¶ó |
22 |
27 |
21 |
4 |
Ȧ 8.5 |
30 |
| HC-81222 |
HC-PH 1-1/4" »çÃâ¼Ò·Î¶ó |
22 |
34 |
27 |
4 |
Ȧ 8.5 |
30 |
|
|