|
|
 | Ư¡ :
- »çÃ⳪ÀÌ·Ð ÀÌÅ» ¹æÁöµÇ¸ç ¼ÒÀ½ ÃÖ¼ÒÈ.
- ¾ÈÁ¤°¨ À¯Áö.
¿ëµµ : CÇü°¿¡ »ç¿ë. |
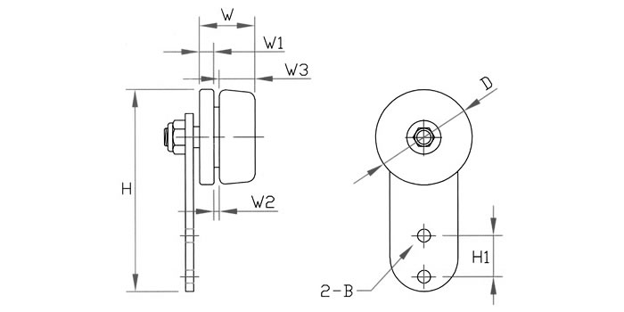
¡á ±Ô°ÝÇ¥
| ǰ¹ø |
»óǰ¸í |
Á÷°æ
(D) |
¹ÙÄûÆø
(W) |
È¨Æø
(W1-W2-W3) |
ÃѳôÀÌ
(H) |
º¼Æ®°£°Å¸®
(H1) |
º¼Æ®È¦
(B) |
»ðÀÔº£¾î¸µ
(Z) |
Çã¿ëÇÏÁß
(kg) |
| HC-61014 |
HC-CW1 55 |
55 |
30 |
7-3-20 |
155 |
20.5 |
7.5 |
6001 |
50 |
| HC-61015 |
HC-CW1 68 |
68 |
30 |
7-3-20 |
164 |
29.5 |
9.5 |
6001 |
60 |
|
|