|
|
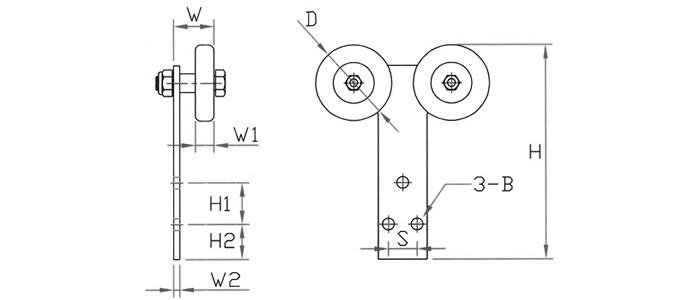
 | Ư¡ : 2·ûÀ¸·Î ¾ÈÁ¤°¨ À¯Áö.
¿ëµµ :
- CÇü ·¹ÀÏ¿¡ »ç¿ë.
- ÇϿ콺 ¹®Â¦, ³ó»ê¹° Àç¹è ¶óÀο¡ »ç¿ë. |
¡á ±Ô°ÝÇ¥
| ǰ¹ø |
»óǰ¸í |
¹ÙÄû¿Ü°æ
(D) |
ÀüÃ¼Æø
(W) |
¹ÙÄûÆø
(W1) |
ÆÇµÎ²²
(W2) |
Ȧ°£°Ý
(H1-H2) |
˟ˌ
(H) |
º¼Æ®°£°Å¸®
(S) |
º¼Æ®È¦
(B) |
»ðÀÔº£¾î¸µ
(Z) |
Çã¿ëÇÏÁß
(kg) |
| HC-61010 |
HC-C2 40 |
40 |
25 |
12 |
4.5 |
30-25 |
149 |
20.5 |
8.5 |
6000 |
100 |
| HC-61011 |
HC-C2 50 |
50 |
25 |
12 |
4.5 |
30-25 |
155 |
20.5 |
8.5 |
6000 |
100 |
| HC-61012 |
HC-C2 55 |
55 |
25 |
13 |
4.5 |
30-25 |
156 |
20.5 |
8.5 |
6000 |
120 |
| HC-61013 |
HC-C2 68 |
68 |
31 |
15 |
6 |
40-30 |
164 |
20.5 |
8.5 |
6001 |
200 |
| HC-61059 |
HC-C2 53 |
53 |
25 |
13 |
4.5 |
30-25 |
158 |
20.5 |
8.5 |
6000 |
100 |
| HC-61060 |
HC-C2 65 |
65 |
31 |
12 |
4.5 |
30-25 |
170 |
20.5 |
8.5 |
6000 |
150 |
| ·Î¶ó |
´Ü¸éÄ¡¼ö(mm)
(H)*(B)*(C)*(T) |
|
·Î¶ó |
´Ü¸éÄ¡¼ö(mm)
(H)*(B)*(C)*(T) |
| 55, 53 »ç¿ë |
60*30*10*1.6 |
|
75, 80, 90 »ç¿ë |
100*50*20*2.0 |
| 53, 50 »ç¿ë |
60*30*10*2.0 |
|
75, 80, 90 »ç¿ë |
100*50*20*2.3 |
| 40, 50 »ç¿ë |
60*30*10.2.3 |
|
75, 80, 90 »ç¿ë |
100*50*20*2.6 |
| 63, 65, 68 »ç¿ë |
75*45*15*1.6 |
|
65, 75, 80 »ç¿ë |
100*50*20*3.2 |
| 65, 68 »ç¿ë |
75*45*15*2.0 |
|
|
|
| 63, 65, 68 »ç¿ë |
75*45*15*2.3 |
|
|
|
| 80, 90 »ç¿ë |
100*50*20*1.6 |
|
|
|
|
|