|
|
 | Ư¡ :
- º¼º£¾î¸µ »ç¿ëÀ¸·Î ±¸¸§¼ºÀÌ Å¹¿ùÇÔ.
- ·¹ÀÏÀº Hºö »ç¿ë.
- ±â°è°øÀå, µµÀå¼³ºñ°øÀå, °øÀåÃâÀÔ±¸ °¢Á¾ âȣ. |
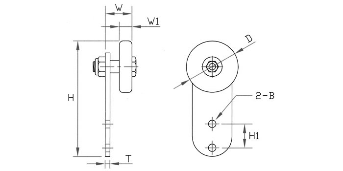
¡á ±Ô°ÝÇ¥
| ǰ¹ø |
»óǰ¸í |
¹ÙÄû¿Ü°æ
(D) |
ÀüÃ¼Æø
(W) |
¹ÙÄûÆø
(W1) |
Àüü³ôÀÌ
(H) |
Ȧ°£°Ý (H1) |
ÆÇµÎ²²
(T) |
º¼Æ®È¦
(B) |
»ðÀÔº£¾î¸µ
(Z) |
Çã¿ëÇÏÁß
(kg) |
| HC-61001 |
HC-C1 40 |
40 |
25 |
12 |
106 |
22 |
4.5 |
7.5 |
6000 |
50 |
| HC-61002 |
HC-C1 50 |
50 |
25 |
12 |
112 |
22 |
4.5 |
7.5 |
6000 |
50 |
| HC-61003 |
HC-C1 55 |
55 |
25 |
13 |
114 |
22 |
4.5 |
7.5 |
6000 |
70 |
| HC-61004 |
HC-C1 68 |
68 |
31 |
15 |
166.5 |
40 |
6 |
9.5 |
6001 |
100 |
| HC-61005 |
HC-C1 90 |
90 |
31 |
16 |
179 |
40 |
6 |
9.5 |
6201 |
150 |
¡á ±Ô°ÝÇ¥(½ÅÁ¦Ç°)
| ǰ¹ø |
»óǰ¸í |
¹ÙÄû¿Ü°æ
(D) |
ÀüÃ¼Æø
(W) |
¹ÙÄûÆø
(W1) |
Àüü³ôÀÌ
(H) |
Ȧ°£°Ý (H1) |
ÆÇµÎ²²
(T) |
º¼Æ®È¦
(B) |
»ðÀÔº£¾î¸µ
(Z) |
Çã¿ëÇÏÁß
(kg) |
| HC-61050 |
HC-C1 53 |
53 |
25 |
13 |
112 |
22 |
4.5 |
7.5 |
6000 |
50 |
| HC-61051 |
HC-C1 63 |
63 |
31 |
15 |
165 |
40 |
6 |
9.5 |
6001 |
100 |
| HC-61052 |
HC-C1 65 |
65 |
31 |
12 |
165 |
40 |
6 |
9.5 |
6000 |
70 |
| HC-61053 |
HC-C1 70 |
70 |
31 |
12 |
169 |
40 |
6 |
9.5 |
6000 |
90 |
| HC-61054 |
HC-C1 75 |
75 |
31 |
12 |
170 |
40 |
6 |
9.5 |
6000 |
100 |
| HC-61055 |
HC-C1 80 |
80 |
42 |
20 |
174 |
40 |
6 |
9.5 |
6003 |
180 |
| ·Î¶ó |
´Ü¸éÄ¡¼ö(mm)
(H)*(B)*(C)*(T) |
|
·Î¶ó |
´Ü¸éÄ¡¼ö(mm)
(H)*(B)*(C)*(T) |
| 55, 53 »ç¿ë |
60*30*10*1.6 |
|
75, 80, 90 »ç¿ë |
100*50*20*2.0 |
| 53, 50 »ç¿ë |
60*30*10*2.0 |
|
75, 80, 90 »ç¿ë |
100*50*20*2.3 |
| 40, 50 »ç¿ë |
60*30*10.2.3 |
|
75, 80, 90 »ç¿ë |
100*50*20*2.6 |
| 63, 65, 68 »ç¿ë |
75*45*15*1.6 |
|
65, 75, 80 »ç¿ë |
100*50*20*3.2 |
| 65, 68 »ç¿ë |
75*45*15*2.0 |
|
|
|
| 63, 65, 68 »ç¿ë |
75*45*15*2.3 |
|
|
|
| 80, 90 »ç¿ë |
100*50*20*1.6 |
|
|
|
|
|