|
|
 | Ư¡ :
- °·ÂÇÑ ¾ç¸é ¿ëÁ¢ ¶Ç´Â °íÇÏÁß U¹ÙÄû
- ·¹ÀÏÀº ¿øÇüȯºÀ ¶Ç´Â ¿øÇü ÆÄÀÌÇÁ »ç¿ë.
¿ëµµ :
- °íÇÏÁß¹° Ãë±Þ¾÷ü¿¡ »ç¿ë ÀûÇÕ.
- 42mm 32A(ÆÄÀÌÇÁ ¿Ü°æ 42.7mm)¿ë.
- 52mm 40A(ÆÄÀÌÇÁ ¿Ü°æ 48.6mm)¿ë.
- 62mm 50A(ÆÄÀÌÇÁ ¿Ü°æ 60.5mm)¿ë. |
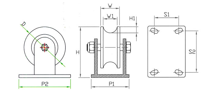
¡á ±Ô°ÝÇ¥
| ǰ¹ø |
»óǰ¸í |
¹ÙÄû¿Ü°æ
(D) |
¹ÙÄûÆø
(W) |
È¨Æø
(W1) |
Àüü³ôÀÌ
(H) |
Ȩ±íÀÌ
(H1) |
¹ØÆÇ³ÐÀÌ
(P1-P2) |
º¼Æ®°£°Å¸®
(S1-S2) |
»ðÀÔº£¾î¸µ
(Z) |
Çã¿ëÇÏÁß
(kg) |
| HC-51023 |
HC-MUGR 4"(42) |
100 |
70 |
44(32A)¿ë |
142 |
16.5 |
114-159 |
74-129 |
6204 |
800 |
| HC-51024 |
HC-MUGR 5"(42) |
130 |
59 |
43(32A)¿ë |
156 |
19 |
114-159 |
74-129 |
6304 |
1000 |
| HC-51025 |
HC-MUGR 5"(52) |
130 |
70 |
52(40A)¿ë |
156 |
19 |
114-159 |
74-129 |
6304 |
1000 |
| HC-51069 |
HC-MUGR 4"(52) |
100 |
70 |
52(40A)¿ë |
142 |
16.5 |
114-159 |
74-129 |
6204 |
800 |
| HC-51070 |
HC-MUGR 6"(62) |
150 |
70 |
57(50A)¿ë |
187 |
21 |
114-159 |
74-129 |
6306 |
2000 |
| HC-51071 |
HC-MUGR 8"(62) |
200 |
70 |
57(50A)¿ë |
213 |
21 |
114-159 |
74-129 |
6306 |
2000 |
ÆÄÀÌÇÁ ±Ô°ÝÇ¥
| ±Ô°Ý A*B |
¿Ü°æ KS(JIS) |
| 8*14 |
13.8 |
| 10*3/8 |
17.3 |
| 15*1/2 |
21.7 |
| 20*3/4 |
27.2 |
| 25*1 |
34 |
| 32*1-1/4 |
42.7 |
| 40*1-1/2 |
48.6 |
| 50*2 |
60.5 |
| 65*1-1/2 |
76.3 |
| 80*3 |
89.1 |
| 90*3-1/2 |
101.6 |
| 100*4 |
114.3 |
|
|