|
|
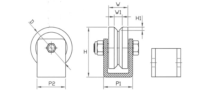
 | Ư¡ :
- °íÇÏÁß ¿ëÁ¢¿ë ¾Þ±Û ¹ÙÄû.
- ·¹ÀÏÀº V ¶Ç´Â ¿øÇü ȯºÀ »ç¿ë. |
¡á ±Ô°ÝÇ¥
| ǰ¹ø |
»óǰ¸í |
¹ÙÄû¿Ü°æ
(D) |
¹ÙÄûÆø
(W) |
È¨Æø
(W1) |
Àüü³ôÀÌ
(H) |
Ȩ±íÀÌ
(H1) |
¹ØÆÇ³ÐÀÌ
(P1-P2) |
»ðÀÔº£¾î¸µ
(Z) |
Çã¿ëÇÏÁß
(kg) |
ºÎ¶óÄÏ
(T) |
| HC-51022 |
HC-MVGR 4" |
100 |
45 |
19 |
118 |
9.5 |
67-65 |
6304 |
800 |
9 |
| HC-51067 |
HC-MVGR 6" |
150 |
65 |
34 |
170 |
15 |
100-90 |
6306 |
1800 |
12 |
| HC-51068 |
HC-MVGR 8" |
200 |
65 |
34 |
220 |
15 |
100-90 |
6306 |
2000 |
12 |
| H*B |
t |
r1 |
r2 |
|
H*B |
t |
r1 |
r2 |
| 25*25 |
3 |
4 |
2 |
|
75*75 |
6 |
8.5 |
4 |
| 30*30 |
3 |
4 |
2 |
|
75*75 |
9 |
8.5 |
6 |
| 40*40 |
3 |
4.5 |
2 |
|
75*75 |
12 |
8.5 |
6 |
| 40*40 |
4 |
4.5 |
3 |
|
80*80 |
6 |
8.5 |
4 |
| 40*40 |
5 |
4.5 |
3 |
|
80*80 |
7 |
8.5 |
4 |
| 45*45 |
4 |
6.5 |
3 |
|
90*90 |
6 |
8.5 |
5 |
| 50*50 |
4 |
6.5 |
3 |
|
90*90 |
7 |
10 |
5 |
| 50*50 |
6 |
6.5 |
4.5 |
|
90*90 |
9 |
10 |
7 |
| 60*60 |
4 |
6.5 |
3 |
|
90*90 |
10 |
10 |
7 |
| 60*60 |
5 |
6.5 |
3 |
|
90*90 |
13 |
10 |
7 |
| 60*60 |
6 |
6.5 |
4.5 |
|
100*100 |
7 |
10 |
5 |
| 65*65 |
6 |
8.5 |
4 |
|
100*100 |
10 |
10 |
7 |
| 65*65 |
8 |
8.5 |
6 |
|
100*100 |
13 |
10 |
7 |
| 70*70 |
6 |
8.5 |
4 |
|
|
|
|
|
|
|