|
|
 | Ư¡ :
- º¼º£¾î¸µ »ç¿ëÀ¸·Î ±¸¸§¼ºÀÌ Å¹¿ùÇÔ.
- ·¹ÀÏÀº Hºö »ç¿ë.
- ±â°è°øÀå, µµÀå¼³ºñ°øÀå, °øÀåÃâÀÔ±¸ °¢Á¾ âȣ. |
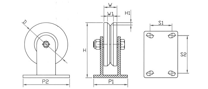
¡á ±Ô°ÝÇ¥
| ǰ¹ø |
»óǰ¸í |
¹ÙÄû¿Ü°æ
(D) |
¹ÙÄûÆø
(W) |
È¨Æø
(W1) |
Àüü³ôÀÌ
(H) |
Ȩ±íÀÌ
(H1) |
¹ØÆÇ³ÐÀÌ
(P1-P2) |
º¼Æ®°£°Å¸®
(S1-S2) |
»ðÀÔº£¾î¸µ
(Z) |
Çã¿ëÇÏÁß
(kg) |
| HC-51019 |
HC-PMVGR 4" |
100 |
45 |
19 |
142 |
9.5 |
114-159 |
74-129 |
6304 |
600 |
| HC-51020 |
HC-PMVGR 6" |
150 |
45 |
19 |
187 |
9.5 |
114-159 |
74-129 |
6304 |
700 |
| HC-51021 |
HC-PMVGR 8" |
200 |
45 |
19 |
213 |
9.5 |
114-159 |
74-129 |
6304 |
800 |
| HC-51063 |
HC-PMVGR 4"-1 |
100 |
45 |
19 |
113 |
9.5 |
100-114 |
73-83 |
6301 |
400 |
¡á ±Ô°ÝÇ¥(°íÇÏÁß MVGº¸° Ç÷¹ÀÌÆ® °íÁ¤)
| ǰ¹ø |
»óǰ¸í |
¹ÙÄû¿Ü°æ
(D) |
¹ÙÄûÆø
(W) |
È¨Æø
(W1) |
Àüü³ôÀÌ
(H) |
Ȩ±íÀÌ
(H1) |
¹ØÆÇ³ÐÀÌ
(P1-P2) |
º¼Æ®°£°Å¸®
(S1-S2) |
»ðÀÔº£¾î¸µ
(Z) |
Çã¿ëÇÏÁß
(kg) |
| HC-51064 |
HC-PMVGR 4"-4 |
100 |
45 |
19 |
142 |
9.5 |
114-159 |
74-129 |
KBC6304 |
1000 |
| HC-51065 |
HC-PMVGR 6"-6 |
150 |
45 |
19 |
187 |
9.5 |
114-159 |
74-129 |
KBC6304 |
1500 |
| HC-51066 |
HC-PMVGR 8"-8 |
200 |
45 |
19 |
213 |
9.5 |
114-159 |
74-129 |
KBC6304 |
2000 |
| H*B |
t |
r1 |
r2 |
|
H*B |
t |
r1 |
r2 |
| 50*50 |
4 |
6.5 |
3 |
|
80*80 |
6 |
8.5 |
4 |
| 50*50 |
6 |
6.5 |
4.5 |
|
80*80 |
7 |
8.5 |
4 |
| 60*60 |
4 |
6.5 |
3 |
|
90*90 |
6 |
8.5 |
5 |
| 60*60 |
5 |
6.5 |
3 |
|
90*90 |
7 |
10 |
5 |
| 60*60 |
6 |
6.5 |
4.5 |
|
90*90 |
9 |
10 |
7 |
| 65*65 |
6 |
8.5 |
4 |
|
90*90 |
10 |
10 |
7 |
| 65*65 |
8 |
8.5 |
6 |
|
90*90 |
13 |
10 |
7 |
| 70*70 |
6 |
8.5 |
4 |
|
100*100 |
7 |
10 |
5 |
| 75*75 |
6 |
8.5 |
4 |
|
100*100 |
10 |
10 |
7 |
| 75*75 |
9 |
8.5 |
6 |
|
100*100 |
13 |
10 |
7 |
| 75*75 |
12 |
8.5 |
6 |
|
|
|
|
|
|
|