|
|
 | Ư¡ :
- ¿¿¡ °ÇÏ°í ºÎ½Ä¼ºÀÌ °ÇÔ.
- °øÀå ÀÛ¾÷ÇöÀå¿¡ ÀûÇÕ. |
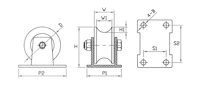
¡á ±Ô°ÝÇ¥(½ºÆ¿ ºê¶óÄÏ °íÁ¤ HC-POMUR)
| ǰ¹ø |
»óǰ¸í |
¹ÙÄû¿Ü°æ
(D) |
¹ÙÄûÆø
(W) |
È¨Æø
(W1) |
Àüü³ôÀÌ
(H) |
Ȩ±íÀÌ
(H1) |
¹ØÆÇ³ÐÀÌ
(P1-P2) |
º¼Æ®°£°Å¸®
(S1-S2) |
º¼Æ®È¦
(B) |
»ðÀÔº£¾î¸µ
(Z) |
Çã¿ëÇÏÁß
(kg) |
| HC-41079 |
HC-POMUR 2-1/2" |
65 |
34 |
25 |
77 |
9 |
48-80 |
31-65 |
8 |
6000 |
100 |
| HC-41080 |
HC-POMUR 3" |
75 |
39 |
30 |
84 |
12 |
67-95 |
46-75 |
10.5 |
6201 |
150 |
| HC-41081 |
HC-POMUR 4" |
100 |
44 |
28 |
114 |
11 |
100-114 |
73-83 |
10.5 |
6301 |
200 |
| HC-41166 |
HC-POMUR 1-1/2" |
40 |
26 |
18.5 |
55 |
8 |
39-67 |
25-53 |
7.5 |
608 |
80 |
| HC-41167 |
HC-POMUR 2" |
50 |
29 |
21 |
60 |
9 |
42-68 |
25-53 |
7.5 |
6000 |
100 |
¡á ±Ô°ÝÇ¥(SUS ºê¶óÄÏ °íÁ¤ HC-SUSPOMUR)
| ǰ¹ø |
»óǰ¸í |
¹ÙÄû¿Ü°æ
(D) |
¹ÙÄûÆø
(W) |
È¨Æø
(W1) |
Àüü³ôÀÌ
(H) |
Ȩ±íÀÌ
(H1) |
¹ØÆÇ³ÐÀÌ
(P1-P2) |
º¼Æ®°£°Å¸®
(S1-S2) |
º¼Æ®È¦
(B) |
»ðÀÔº£¾î¸µ
(Z) |
Çã¿ëÇÏÁß
(kg) |
| HC-41168 |
HC-SUSPOMUR 2-1/2" |
65 |
34 |
25 |
77 |
9 |
48-80 |
31-65 |
8 |
S6000 |
100 |
| HC-41169 |
HC-SUSPOMUR 3" |
75 |
39 |
30 |
84 |
12 |
67-95 |
46-75 |
10.5 |
S6201 |
150 |
| HC-41170 |
HC-SUSPOMUR 4" |
100 |
44 |
28 |
114 |
11 |
100-114 |
73-83 |
10.5 |
S6301 |
200 |
| HC-41171 |
HC-SUSPOMUR 1-1/2" |
40 |
26 |
18.5 |
55 |
8 |
39-67 |
25-53 |
7.5 |
S608 |
80 |
| HC-41172 |
HC-SUSPOMUR 2" |
50 |
29 |
21 |
60 |
9 |
42-68 |
25-53 |
7.5 |
S6000 |
100 |
ÆÄÀÌÇÁ ±Ô°ÝÇ¥
| ±Ô°Ý A*B |
¿Ü°æ KS(JIS) |
| 8*14 |
13.8 |
| 10*3/8 |
17.3 |
| 15*1/2 |
21.7 |
| 20*3/4 |
27.2 |
| 25*1 |
34 |
| 32*1-1/4 |
42.7 |
| 40*1-1/2 |
48.6 |
| 50*2 |
60.5 |
| 65*1-1/2 |
76.3 |
| 80*3 |
89.1 |
| 90*3-1/2 |
101.6 |
| 100*4 |
114.3 |
|
|