|
|
 | Ư¡ :
- ³»¿¿¡ °ÇÔ(160¡ÆC).
- ¼ÒÀ½ÀÌ ÀûÀº POM¼ÒÀç.
- ¹ö¼¸³óÀå, µµÀå¼³ºñ, ÇϿ콺µî¿¡ »ç¿ë. |
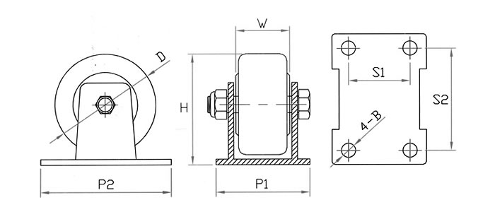
¡á ±Ô°ÝÇ¥(½ºÆ¿ ºê¶óÄÏ °íÁ¤ HC-POMR)
| ǰ¹ø |
»óǰ¸í |
¹ÙÄû¿Ü°æ
(D) |
¹ÙÄûÆø
(W) |
Àüü³ôÀÌ
(H) |
¹ØÆÇ³ÐÀÌ
(P1-P2) |
º¼Æ®°£°Å¸®
(S1-S2) |
º¼Æ®È¦
(B) |
»ðÀÔº£¾î¸µ
(Z) |
Çã¿ëÇÏÁß
(kg) |
| HC-41073 |
HC-POMR 2-1/2" |
65 |
31 |
77 |
48-65 |
31-65 |
8 |
6000 |
100 |
| HC-41074 |
HC-POMR 3" |
75 |
40 |
84 |
67-95 |
46-75 |
10.5 |
6201 |
150 |
| HC-41075 |
HC-POMR 4" |
100 |
44 |
114 |
100-114 |
73-83 |
10.5 |
6301 |
200 |
| HC-41152 |
HC-POMR 1-1/4" |
40 |
26 |
55 |
39-67 |
25-53 |
7.5 |
608 |
80 |
| HC-41153 |
HC-POMR 2" |
50 |
29 |
60 |
42-68 |
25-53 |
7.5 |
6000 |
100 |
¡á ±Ô°ÝÇ¥(SUS ºê¶óÄÏ °íÁ¤ HC-SUSPOMR)
| ǰ¹ø |
»óǰ¸í |
¹ÙÄû¿Ü°æ
(D) |
¹ÙÄûÆø
(W) |
Àüü³ôÀÌ
(H) |
¹ØÆÇ³ÐÀÌ
(P1-P2) |
º¼Æ®°£°Å¸®
(S1-S2) |
º¼Æ®È¦
(B) |
»ðÀÔº£¾î¸µ
(Z) |
Çã¿ëÇÏÁß
(kg) |
| HC-41154 |
HC-SUSPOMR 2-1/2" |
65 |
31 |
77 |
48-65 |
31-65 |
8 |
S6000 |
100 |
| HC-41155 |
HC-SUSPOMR 3" |
75 |
40 |
84 |
67-95 |
46-75 |
10.5 |
S6201 |
150 |
| HC-41156 |
HC-SUSPOMR 4" |
100 |
44 |
114 |
100-114 |
73-83 |
10.5 |
S6301 |
200 |
| HC-41157 |
HC-SUSPOMR 1-1/4" |
40 |
26 |
55 |
39-67 |
25-53 |
7.5 |
S608 |
80 |
| HC-41158 |
HC-SUSPOMR 2" |
50 |
29 |
60 |
42-68 |
25-53 |
7.5 |
S6000 |
100 |
|
|