|
|
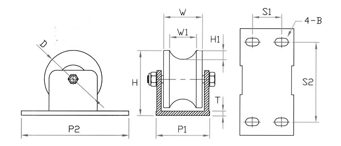
 | | Ư¡ : °íÇÏÁß °í±Þ±â°è¿ë, °¢Á¾ ÃâÀÔ±¸, °¢Á¾ °ÔÀÌÆ® »ç¿ë. |
¡á ±Ô°ÝÇ¥(³·À½¿ë)
| ǰ¹ø |
ǰ¸í |
¹ÙÄû¿Ü°æ
(D) |
¹ÙÄûÆø
(W) |
È¨Æø
(W)1 |
Àüü³ôÀÌ
(H) |
Ȩ±íÀÌ
(H1) |
¹ØÆÇ³ÐÀÌ
(P1-P2) |
º¼Æ®°£°Å¸®
(S1-S2) |
º¼Æ®È¦
(B) |
»ðÀÔº£¾î¸µ
(Z) |
Çã¿ëÇÏÁß
(kg) |
| HC-41059 |
HC-25A |
80 |
52 |
36 |
89 |
12 |
72-145 |
38-108.5 |
10.5 |
6301 |
300 |
| HC-41137 |
HC-MC25A |
80 |
52 |
36 |
89 |
12 |
72-145 |
38-108.5 |
10.5 |
6201 |
200 |
¡á ±Ô°ÝÇ¥(42.7mm ÆÄÀÌÇÁ¿ë 32A)
| ǰ¹ø |
ǰ¸í |
¹ÙÄû¿Ü°æ
(D) |
¹ÙÄûÆø
(W) |
È¨Æø
(W)1 |
Àüü³ôÀÌ
(H) |
Ȩ±íÀÌ
(H1) |
¹ØÆÇ³ÐÀÌ
(P1-P2) |
º¼Æ®°£°Å¸®
(S1-S2) |
º¼Æ®È¦
(B) |
»ðÀÔº£¾î¸µ
(Z) |
Çã¿ëÇÏÁß
(kg) |
| HC-41138 |
HC-32A |
80 |
52 |
43 |
89 |
12 |
72-145 |
38-108.5 |
10.5 |
6301 |
300 |
| HC-41139 |
HC-MC32A |
80 |
52 |
43 |
89 |
12 |
72-145 |
38-108.5 |
10.5 |
6201 |
200 |
ÆÄÀÌÇÁ ±Ô°ÝÇ¥
| ±Ô°Ý A*B |
¿Ü°æ KS(JIS) |
| 8*14 |
13.8 |
| 10*3/8 |
17.3 |
| 15*1/2 |
21.7 |
| 20*3/4 |
27.2 |
| 25*1 |
34 |
| 32*1-1/4 |
42.7 |
| 40*1-1/2 |
48.6 |
| 50*2 |
60.5 |
| 65*1-1/2 |
76.3 |
| 80*3 |
89.1 |
| 90*3-1/2 |
101.6 |
| 100*4 |
114.3 |
|
|