|
|
 | Ư¡ :
- 304 SUS ÀçÁú ¿ëÁ¢¿ëÀ¸·Î °ß°íÇÔ.
- ·¹ÀÏÀº ÆÄÀÌÇÁ ¶Ç´Â ȯºÀÀ» »ç¿ë. |
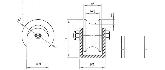
¡á ±Ô°ÝÇ¥
| ǰ¹ø |
ǰ¸í |
¹ÙÄû¿Ü°æ
(D) |
¹ÙÄûÆø
(W) |
È¨Æø
(W)1 |
Àüü³ôÀÌ
(H) |
Ȩ±íÀÌ
(H1) |
¹ØÆÇ³ÐÀÌ
(P1-P2) |
»ðÀÔº£¾î¸µ
(Z) |
Çã¿ëÇÏÁß
(kg) |
| HC-41131 |
HC-SSUR 2" |
50 |
29 |
23 |
60 |
9.5 |
40-38 |
S6000 |
100 |
| HC-41132 |
HC-SSUR 2-1/2" |
60 |
34 |
25 |
74 |
10 |
46-50 |
S6000 |
120 |
| HC-41133 |
HC-SSUR 3" |
70 |
39 |
30 |
86 |
10 |
50-50 |
S6201 |
150 |
| HC-41134 |
HC-SSUR 4" |
100 |
44 |
36 |
110-4T |
12 |
59-50 |
S6301 |
200 |
| HC-41135 |
HC-SSUR 4"-4 |
100 |
44 |
36 |
118 |
12 |
65-50 |
S6204 |
800 |
ÆÄÀÌÇÁ ±Ô°ÝÇ¥
| ±Ô°Ý A*B |
¿Ü°æ KS(JIS) |
| 8*14 |
13.8 |
| 10*3/8 |
17.3 |
| 15*1/2 |
21.7 |
| 20*3/4 |
27.2 |
| 25*1 |
34 |
| 32*1-1/4 |
42.7 |
| 40*1-1/2 |
48.6 |
| 50*2 |
60.5 |
| 65*1-1/2 |
76.3 |
| 80*3 |
89.1 |
| 90*3-1/2 |
101.6 |
| 100*4 |
114.3 |
|
|