|
|
 | Ư¡ : ·¹ÀÏÀº ÆÄÀÌÇÁ ¶Ç´Â ȯºÀÀ» »ç¿ë.
¿ëµµ : 304(All)½ºÅÙ ÀçÁú·Î ºÎ½Ä¼ºÀÌ ÀÖ´Â °÷ ¶Ç´Â ȸÀüÀ» ¿äÇÏ´Â °÷¿¡ »ç¿ë. |
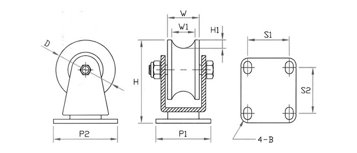
¡á ±Ô°ÝÇ¥
| ǰ¹ø |
ǰ¸í |
¹ÙÄû¿Ü°æ
(D) |
¹ÙÄûÆø
(W) |
È¨Æø
(W)1 |
Àüü³ôÀÌ
(H) |
Ȩ±íÀÌ
(H1) |
¹ØÆÇ³ÐÀÌ
(P1-P2) |
º¼Æ®°£°Å¸®
(S1-S2) |
º¼Æ®È¦
(B) |
»ðÀÔº£¾î¸µ
(Z) |
Çã¿ëÇÏÁß
(kg) |
| HC-41042 |
HC-SUS 2" |
50 |
29 |
23 |
76 |
9 |
50-65 |
25-53 |
6.5 |
S6000 |
100 |
| HC-41043 |
HC-SUS 2-1/2" |
60 |
32 |
24 |
87 |
10 |
59-69 |
45-50 |
8.5 |
S6000 |
150 |
| HC-41044 |
HC-SUS 3" |
70 |
37 |
29 |
98 |
10 |
70-96 |
45-75 |
8.5 |
S6201 |
200 |
| HC-41129 |
HC-SUS 4" |
100 |
44 |
36 |
143 |
12.5 |
102-114 |
81-84 |
11 |
S6301 |
400 |
ÆÄÀÌÇÁ ±Ô°ÝÇ¥
| ±Ô°Ý A*B |
¿Ü°æ KS(JIS) |
| 8*14 |
13.8 |
| 10*3/8 |
17.3 |
| 15*1/2 |
21.7 |
| 20*3/4 |
27.2 |
| 25*1 |
34 |
| 32*1-1/4 |
42.7 |
| 40*1-1/2 |
48.6 |
| 50*2 |
60.5 |
| 65*1-1/2 |
76.3 |
| 80*3 |
89.1 |
| 90*3-1/2 |
101.6 |
| 100*4 |
114.3 |
|
|