|
|
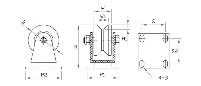
 | Ư¡ :
- 304 ½ºÅ×Àη¹½º ȸÀü(°î¼±)¶óÀÎÀÛ¾÷¿¡ ¿ëÀÌ.
- ³»ºÎ½Ä¼ºÀÌ ¿ä±¸µÇ´Â Àå¼Ò.
- Á¢ÀÌ½Ä µµ¾î¿¡ »ç¿ë. |
¡á ±Ô°ÝÇ¥(³·À½¿ë)
| ǰ¹ø |
ǰ¸í |
¹ÙÄû¿Ü°æ
(D) |
¹ÙÄûÆø
(W) |
È¨Æø
(W1) |
Àüü³ôÀÌ
(H) |
Ȩ±íÀÌ
(H1) |
¹ØÆÇ³ÐÀÌ
(P1-P2) |
º¼Æ®°£°Å¸®
(S1-S2) |
º¼Æ®È¦
(B) |
»ðÀÔº£¾î¸µ
(Z) |
Çã¿ëÇÏÁß
(kg) |
| HC-41124 |
HC-SVS 2" |
50 |
29 |
20 |
76 |
10 |
50-65 |
25-53 |
6.5 |
S6000 |
100 |
| HC-41125 |
HC-SVS 2-1/2" |
60 |
34 |
22 |
87 |
11 |
59-69 |
45-50 |
8.5 |
S6000 |
150 |
| HC-41126 |
HC-SVS 3" |
70 |
36 |
26 |
98 |
13.5 |
70-96 |
45-75 |
8.5 |
S6201 |
200 |
| HC-41113 |
HC-SVS 4" |
100 |
44 |
31 |
143 |
15.5 |
102-114 |
81-84 |
11 |
S6301 |
400 |
| H*B |
t |
r1 |
r2 |
|
H*B |
t |
r1 |
r2 |
| 25*25 |
3 |
4 |
2 |
|
60*60 |
4 |
6.5 |
3 |
| 30*30 |
3 |
4 |
2 |
|
60*60 |
5 |
6.5 |
3 |
| 40*40 |
3 |
4.5 |
2 |
|
60*60 |
6 |
6.5 |
4.5 |
| 40*40 |
4 |
4.5 |
3 |
|
65*65 |
6 |
8.5 |
4 |
| 40*40 |
5 |
4.5 |
3 |
|
65*65 |
8 |
8.5 |
6 |
| 45*45 |
4 |
6.5 |
3 |
|
70*70 |
6 |
8.5 |
4 |
| 50*50 |
4 |
6.5 |
3 |
|
|
|
|
|
| 50*50 |
6 |
6.5 |
4.5 |
|
|
|
|
|
|
|