|
|
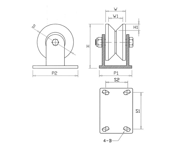
 | | Ư¡: ±¤Æø V¾Þ±Û ¹ÙÄû·Î °íÇÏÁß Àåºñ¼³ºñ¿ë ¿î¹Ý±¸¿ë. |
¡á ±Ô°ÝÇ¥
| ǰ¹ø |
ǰ¸í |
¹ÙÄû¿Ü°æ
(D) |
¹ÙÄûÆø
(W) |
È¨Æø
(W1) |
Àüü³ôÀÌ
(H) |
Ȩ±íÀÌ
(H1) |
¹ØÆÇ³ÐÀÌ
(P1-P2) |
º¼Æ®°£°Å¸®
(S1-S2) |
º¼Æ®È¦
(B) |
»ðÀÔº£¾î¸µ
(Z) |
Çã¿ëÇÏÁß
(kg) |
| HC-41014 |
HC-HVR 4" |
98 |
70 |
48 |
142 |
24 |
114-159 |
74-129 |
12.5 |
6204 |
800 |
| HC-41015 |
HC-HVR 5" |
128 |
70 |
50 |
156 |
25 |
114-159 |
74-129 |
12.5 |
6204 |
1000 |
| HC-41016 |
HC-HVR 6" |
148 |
70 |
50 |
188 |
25 |
114-159 |
74-129 |
12.5 |
6304 |
1500 |
¡á ±Ô°ÝÇ¥(¿Ã½ºÅÙ ´ÜÁ¶ V¾Þ±Û Ç÷¹ÀÌÆ® °íÁ¤)
| ǰ¹ø |
ǰ¸í |
¹ÙÄû¿Ü°æ
(D) |
¹ÙÄûÆø
(W) |
È¨Æø
(W1) |
Àüü³ôÀÌ
(H) |
Ȩ±íÀÌ
(H1) |
¹ØÆÇ³ÐÀÌ
(P1-P2) |
º¼Æ®°£°Å¸®
(S1-S2) |
º¼Æ®È¦
(B) |
»ðÀÔº£¾î¸µ
(Z) |
Çã¿ëÇÏÁß
(kg) |
| HC-41099 |
HC-SHVR 4" |
98 |
68 |
48 |
119 |
24 |
114-159 |
74-129 |
12.5 |
S6204 |
1000 |
¡á º¸° Ç÷¹ÀÌÆ® °íÁ¤
| ǰ¹ø |
ǰ¸í |
¹ÙÄû¿Ü°æ
(D) |
¹ÙÄûÆø
(W) |
È¨Æø
(W1) |
Àüü³ôÀÌ
(H) |
Ȩ±íÀÌ
(H1) |
¹ØÆÇ³ÐÀÌ
(P1-P2) |
º¼Æ®°£°Å¸®
(S1-S2) |
º¼Æ®È¦
(B) |
»ðÀÔº£¾î¸µ
(Z) |
Çã¿ëÇÏÁß
(kg) |
| HC-41100 |
HC-HVR 4"-4 |
98 |
70 |
48 |
142 |
24 |
114-159 |
74-129 |
12.5 |
6204*4 |
1200 |
| HC-41101 |
HC-HVR 5"-5 |
128 |
70 |
50 |
156 |
25 |
114-159 |
74-129 |
12.5 |
6204*4 |
1000 |
| HC-41102 |
HC-HVR 6"-6 |
148 |
70 |
50 |
188 |
25 |
114-159 |
74-129 |
12.5 |
6304*4 |
1500 |
| H*B |
t |
r1 |
r2 |
|
H*B |
t |
r1 |
r2 |
| 50*50 |
4 |
6.5 |
3 |
|
80*80 |
6 |
8.5 |
4 |
| 50*50 |
6 |
6.5 |
4.5 |
|
80*80 |
7 |
8.5 |
4 |
| 60*60 |
4 |
6.5 |
3 |
|
90*90 |
6 |
8.5 |
5 |
| 60*60 |
5 |
6.5 |
3 |
|
90*90 |
7 |
10 |
5 |
| 60*60 |
6 |
6.5 |
4.5 |
|
90*90 |
9 |
10 |
7 |
| 65*65 |
6 |
8.5 |
4 |
|
90*90 |
10 |
10 |
7 |
| 65*65 |
8 |
8.5 |
6 |
|
90*90 |
13 |
10 |
7 |
| 70*70 |
6 |
8.5 |
4 |
|
100*100 |
7 |
10 |
5 |
| 75*75 |
6 |
8.5 |
4 |
|
100*100 |
10 |
10 |
7 |
| 75*75 |
9 |
8.5 |
6 |
|
100*100 |
13 |
10 |
7 |
| 75*75 |
12 |
8.5 |
6 |
|
|
|
|
|
|
|