|
|
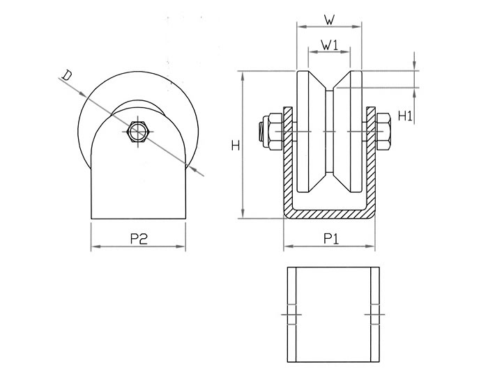
 | Ư¡ :
- Á÷¼±¶óÀÎ ¼³ºñ¿ë V¾Þ±Û¿ë ¿î¹Ý´ëÂ÷ ¿ëÁ¢Çü.
- °ß°íÇÔ.
- ±¹»êº£¾î¸µ »ç¿ëÀ¸·Î ÇÏÁß ´õ ³ôÀϼö ÀÖÀ½. |
¡á ±Ô°ÝÇ¥
| ǰ¹ø |
ǰ¸í |
¹ÙÄû¿Ü°æ
(D) |
¹ÙÄûÆø
(W) |
È¨Æø
(W1) |
Àüü³ôÀÌ
(H) |
Ȩ±íÀÌ
(H1) |
¹ØÆÇ³ÐÀÌ
(P1-P2) |
»ðÀÔº£¾î¸µ
(Z) |
Çã¿ëÇÏÁß
(kg) |
| HC-41010 |
HC-VR 2" |
50 |
29 |
20 |
60 |
10 |
42-38 |
6000 |
100 |
| HC-41011 |
HC-VR 2-1/2" |
65 |
34 |
22 |
77 |
12.5 |
46-50 |
6000 |
120 |
| HC-41012 |
HC-VR 3" |
75 |
39 |
27 |
89 |
13.5 |
57-50 |
6201 |
150 |
| HC-41013 |
HC-VR 4" |
100 |
44.5 |
31 |
109-6T |
15.5 |
65-50 |
6301 |
300 |
| HC-41098 |
HC-VR 4"-4 |
100 |
44.5 |
31 |
118-9T |
15.5 |
67-65 |
6204 |
800 |
| H*B |
t |
r1 |
r2 |
|
H*B |
t |
r1 |
r2 |
| 25*25 |
3 |
4 |
2 |
|
60*60 |
4 |
6.5 |
3 |
| 30*30 |
3 |
4 |
2 |
|
60*60 |
5 |
6.5 |
3 |
| 40*40 |
3 |
4.5 |
2 |
|
60*60 |
6 |
6.5 |
4.5 |
| 40*40 |
4 |
4.5 |
3 |
|
65*65 |
6 |
8.5 |
4 |
| 40*40 |
5 |
4.5 |
3 |
|
65*65 |
8 |
8.5 |
6 |
| 45*45 |
4 |
6.5 |
3 |
|
70*70 |
6 |
8.5 |
4 |
| 50*50 |
4 |
6.5 |
3 |
|
75*75 |
6 |
8.5 |
4 |
| 50*50 |
6 |
6.5 |
4.5 |
|
75*75 |
9 |
8.5 |
6 |
| |
|
|
|
|
75*75 |
12 |
8.5 |
6 |
|
|