|
|
 | HC-PVR
¿ëµµ :
- ±â°è°øÀå Á÷¼±¶óÀÎ ¼³ºñ¿ë.
- V¾Þ±Û¿ë ¿î¹Ý´ëÂ÷ ¶Ç´Â ´ë¹® ÇϺοë. |
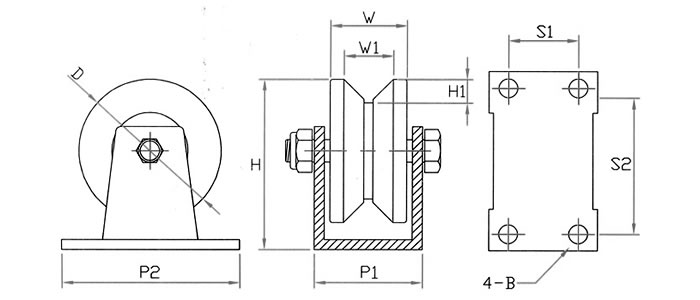
¡á ±Ô°ÝÇ¥
| ǰ¹ø |
ǰ¸í |
¹ÙÄû¿Ü°æ
(D) |
¹ÙÄûÆø
(W) |
È¨Æø
(W1) |
Àüü³ôÀÌ
(H) |
Ȩ±íÀÌ
(H1) |
¹ØÆÇ³ÐÀÌ
(P1-P2) |
º¼Æ®°£°Å¸®
(S1-S2) |
º¼Æ®È¦
(B) |
»ðÀÔº£¾î¸µ
(Z) |
Çã¿ëÇÏÁß
(kg) |
| HC-41001 |
HC-PVR 1-1/4" |
32 |
24.5 |
15.5 |
38 |
7.5 |
31-55 |
18-40 |
6.5 |
607 |
50 |
| HC-41002 |
HC-PVR 1-1/2" |
40 |
26 |
16 |
55 |
8 |
39-67 |
25-53 |
7.5 |
608 |
80 |
| HC-41003 |
HC-PVR 2" |
50 |
29 |
20 |
59 |
10 |
42-68 |
25-53 |
7.5 |
6000 |
100 |
| HC-41004 |
HC-PVR 2-1/2" |
64 |
34 |
21 |
77 |
10.5 |
48-80 |
31-65 |
8.5 |
6000 |
120 |
| HC-41005 |
HC-PVR 3" |
74 |
39 |
27 |
83.5 |
13.5 |
67-95 |
46-75 |
10.5 |
6201 |
150 |
| HC-41082 |
HC-PVR 4" |
100 |
44.5 |
31 |
114 |
15.5 |
100-114 |
73-83 |
10.5 |
6301 |
200 |
| HC-41083 |
HC-PVR 4-4" |
100 |
44.5 |
31 |
142 |
15.5 |
114-159 |
74-129 |
12.5 |
6204 |
800 |
| H*B |
t |
r1 |
r2 |
|
H*B |
t |
r1 |
r2 |
| 25*25 |
3 |
4 |
2 |
|
60*60 |
4 |
6.5 |
3 |
| 30*30 |
3 |
4 |
2 |
|
60*60 |
5 |
6.5 |
3 |
| 40*40 |
3 |
4.5 |
2 |
|
60*60 |
6 |
6.5 |
4.5 |
| 40*40 |
4 |
4.5 |
3 |
|
65*65 |
6 |
8.5 |
4 |
| 40*40 |
5 |
4.5 |
3 |
|
65*65 |
8 |
8.5 |
6 |
| 45*45 |
4 |
6.5 |
3 |
|
|
|
|
|
| 50*50 |
4 |
6.5 |
3 |
|
|
|
|
|
| 50*50 |
6 |
6.5 |
4.5 |
|
|
|
|
|
|
|