|
|
 | HC-HR4/HC-IR4
Ư¡ :
- º¸° Ç÷¹ÀÌÆ® ÁÖ¹®Á¦ÀÛ.
¿ëµµ :
- °íÁß·® ·¹ÀϹÙÄû·Î °íÇÏÁß Áß·®¹° À̵¿½Ã »ç¿ë.
- ÀܳÚ, Hºö, ´Ù¾çÇÑ ·¹ÀÏ »ç¿ë °¡´É. |
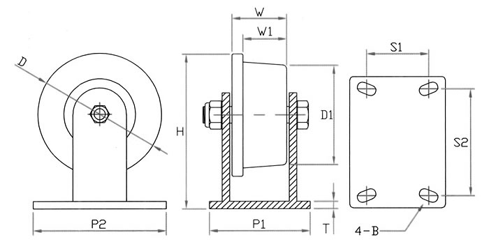
¡á ±Ô°ÝÇ¥(Hºö¿ë -ÀÚÇü)
| ǰ¹ø |
ǰ¸í |
¹ÙÄû¿Ü°æ
(D-D1) |
¹ÙÄûµÎ²²
(W-W1) |
Àüü³ôÀÌ
(H) |
»Ñ¶óÄÏT
(T) |
¹ØÆÇ³ÐÀÌ
(P1-P2) |
º¼Æ®°£°Å¸®
(S1-S2) |
»ðÀÔº£¾î¸µ
(Z) |
Çã¿ëÇÏÁß
(kg) |
| HC-31031 |
HC-HR4 4" |
100-81.5 |
65-58 |
141 |
9 |
114-159 |
74-129 |
6304 |
1500 |
| HC-31032 |
HC-HR4 6" |
150-120 |
65-52 |
187 |
9 |
114-159 |
74-159 |
6306 |
2000 |
| HC-31033 |
HC-HR4 8" |
200-170 |
65-53 |
213 |
9 |
114-159 |
74-129 |
6306 |
2000 |
¡á ±Ô°ÝÇ¥(Iºö¿ë Å×ÀÌÆÛÇü)
| ǰ¹ø |
ǰ¸í |
¹ÙÄû¿Ü°æ
(D-D1) |
¹ÙÄûµÎ²²
(W-W1) |
Àüü³ôÀÌ
(H) |
»Ñ¶óÄÏT
(T) |
¹ØÆÇ³ÐÀÌ
(P1-P2) |
º¼Æ®°£°Å¸®
(S1-S2) |
»ðÀÔº£¾î¸µ
(Z) |
Çã¿ëÇÏÁß
(kg) |
| HC-31071 |
HC-IR4 4" |
100-89-81 |
65-58 |
141 |
9 |
114-159 |
74-129 |
6304 |
1500 |
| HC-31072 |
HC-IR4 6" |
150-128-120 |
65-52 |
187 |
9 |
114-159 |
74-159 |
6306 |
2000 |
| HC-31073 |
HC-IR4 8" |
200-178-170 |
65-53 |
213 |
9 |
114-159 |
74-129 |
6306 |
2000 |
|
|