|
|
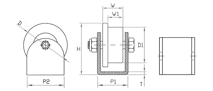
 | HC-RR/HC-IRR
Ư¡ :
- °æ·®¹° ·¹ÀϹÙÄû ¿ëÁ¢ÇüÀ¸·Î ºÎÂøÀÌ ¿ëÀÌÇÔ.
- ±¹»ê º£¾î¸µÀ» »ç¿ëÇϸé ÇÏÁßÀ» ¤§¿í´õ ³ôÀϼö ÀÖÀ½.
- °íÇÏÁß ¹ÙÄû. |
¡á ±Ô°ÝÇ¥(Hºö¿ë -ÀÚÇü)
| ǰ¹ø |
ǰ¸í |
¹ÙÄû¿Ü°æ
(D-D1) |
¹ÙÄûµÎ²²
(W-W1) |
Àüü³ôÀÌ
(H) |
»Ñ¶óÄÏT
(T) |
¹ØÆÇ³ÐÀÌ
(P1-P2) |
»ðÀÔº£¾î¸µ
(Z) |
Çã¿ëÇÏÁß
(kg) |
| HC-31028 |
HC-RR 2" |
49-38 |
29-20 |
60 |
4 |
42-38 |
6000 |
100 |
| HC-31029 |
HC-RR 2-1/2" |
64-48 |
34-22 |
77 |
4 |
46-50 |
6000 |
100 |
| HC-31030 |
HC-RR 3" |
74-61 |
39-30 |
89 |
6 |
57-50 |
6201 |
150 |
| HC-31064 |
HC-RR 4" |
100-81.5 |
65-58 |
118 |
9 |
97-65 |
6304 |
1000 |
| HC-31065 |
HC-RR 6" |
150-120 |
65-52 |
170 |
12 |
100-90 |
6306 |
2000 |
| HC-31066 |
HC-RR 8" |
200-170 |
65-53 |
220 |
12 |
100-90 |
6306 |
2000 |
¡á ±Ô°ÝÇ¥(Iºö¿ë Å×ÀÌÆÛÇü ·Î¶ó)
| ǰ¹ø |
ǰ¸í |
¹ÙÄû¿Ü°æ
(D-D1) |
¹ÙÄûµÎ²²
(W-W1) |
Àüü³ôÀÌ
(H) |
»Ñ¶óÄÏT
(T) |
¹ØÆÇ³ÐÀÌ
(P1-P2) |
»ðÀÔº£¾î¸µ
(Z) |
Çã¿ëÇÏÁß
(kg) |
| HC-31067 |
HC-IRR 3" |
80-64-59 |
38-30 |
93 |
9 |
62-50 |
6004 |
500 |
| HC-31068 |
HC-IRR 4" |
100-89-81.5 |
65-58 |
118 |
9 |
96-65 |
6304 |
1000 |
| HC-31069 |
HC-IRR 6" |
150-128-120 |
65-52 |
170 |
12 |
100-90 |
6306 |
2000 |
| HC-31070 |
HC-IRR 8" |
200-178-170 |
65-53 |
220 |
12 |
100-90 |
6306 |
2000 |
|
|