|
|
 | HC-PRR/HC-PIRR
Ư¡ :
- ·¹ÀÏ ¶Ç´Â ÀܳÚ, Hºö, ÆÄÀÌÇÁ, °¢ºÀ ÀÌ¿ëÇØ¼ »ç¿ë.
- Hºö¿ë-´êÀÌ´Â¸é ¸¹À½. °íÇÏÁß.
- Iºö¿ë-´Â ¸é, ÀûÀ½, ¼Óµµ°¨ ÀÖÀ½, ºê·¹ÀÌÅ© Àû¿ë °¡´É, ÁÖ¹®Á¦ÀÛ. |
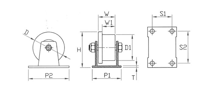
¡á ±Ô°ÝÇ¥(Hºö¿ë -ÀÚÇü ·Î¶ó)
| ǰ¹ø |
ǰ¸í |
¹ÙÄû¿Ü°æ
(D-D1) |
¹ÙÄûµÎ²²
(W-W1) |
Àüü³ôÀÌ
(H) |
»Ñ¶óÄÏT
(T) |
¹ØÆÇ³ÐÀÌ
(P1-P2) |
º¼Æ®°£°Å¸®
(S1-S2) |
º¼Æ®È¦
(B) |
»ðÀÔº£¾î¸µ
(Z) |
Çã¿ëÇÏÁß
(kg) |
| HC-31021 |
HC-PRR 1-1/4" |
32-26 |
24-19 |
38 |
2.5 |
31-55 |
18-40 |
6.5 |
607 |
80 |
| HC-31022 |
HC-PRR 2" |
50-38 |
29-20 |
59 |
4 |
42-68 |
25-53 |
7.5 |
6000 |
100 |
| HC-31023 |
HC-PRR 2-1/2" |
65-54 |
34-22 |
77 |
4 |
48-80 |
31-65 |
8.5 |
6000 |
120 |
| HC-31024 |
HC-PRR 3" |
75-60 |
39-30 |
84 |
4 |
67-95 |
46-75 |
10.5 |
6201 |
150 |
| HC-31025 |
HC-PRR 4" |
100-81 |
43-36 |
142 |
9 |
114-159 |
74-129 |
12.5 |
6204 |
300 |
| HC-31026 |
HC-PRR 5" |
140-108 |
44-36 |
161 |
9 |
114-159 |
74-129 |
12.5 |
6304 |
700 |
| HC-31027 |
HC-PRR 6" |
150-127 |
44-35 |
188 |
9 |
114-159 |
74-129 |
12.5 |
6304 |
900 |
| HC-31058 |
HC-PRR 8" |
200-170 |
44-35 |
213 |
9 |
114-159 |
74-129 |
12.5 |
6304 |
1000 |
¡á ±Ô°ÝÇ¥(Iºö¿ë Å×ÀÌÆÛÇü ·Î¶ó)
| ǰ¹ø |
ǰ¸í |
¹ÙÄû¿Ü°æ
(D-D1) |
¹ÙÄûµÎ²²
(W-W1) |
Àüü³ôÀÌ
(H) |
»Ñ¶óÄÏT
(T) |
¹ØÆÇ³ÐÀÌ
(P1-P2) |
º¼Æ®°£°Å¸®
(S1-S2) |
º¼Æ®È¦
(B) |
»ðÀÔº£¾î¸µ
(Z) |
Çã¿ëÇÏÁß
(kg) |
| HC-31059 |
HC-PIRR 3" |
80-64-59 |
38-30 |
89 |
6 |
72-145 |
38-108.5 |
10.3 |
6004 |
300 |
| HC-31060 |
HC-PIRR 4" |
100-89-81.5 |
43-36 |
142 |
9 |
114-159 |
74-129 |
12.5 |
6204 |
300 |
| HC-31061 |
HC-PIRR 5" |
140-113-106 |
44-36 |
161 |
9 |
114-159 |
74-129 |
12.5 |
6304 |
700 |
| HC-31062 |
HC-PIRR 6" |
150-128-120 |
44-35 |
189 |
9 |
114-159 |
74-129 |
12.5 |
6304 |
900 |
| HC-31063 |
HC-PIRR 8" |
200-178-170 |
44-35 |
213 |
9 |
114-159 |
74-129 |
12.5 |
6304 |
1000 |
|
|