|
|
 |
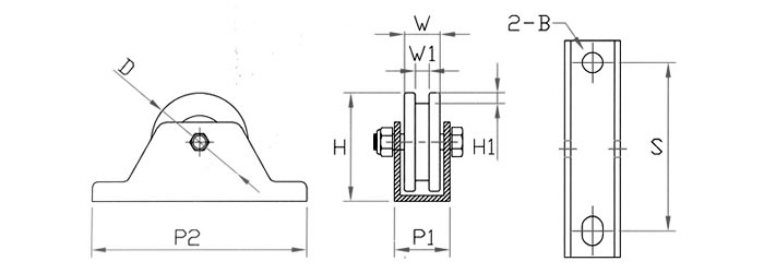
¡á ±Ô°ÝÇ¥
| ǰ¹ø |
ǰ¸í |
¹ÙÄû¿Ü°æ
(D) |
¹ÙÄûÆø
(W) |
È¨Æø
(W1) |
Àüü³ôÀÌ
(H) |
Ȩ±íÀÌ
(H1) |
¹ØÆÇ³ÐÀÌ
(P1-P2) |
º¼Æ®°£°Å¸®
(S) |
º¼Æ®È¦
(B) |
»ðÀÔº£¾î¸µ
(Z) |
Çã¿ëÇÏÁß
(kg) |
| HC-31020 |
HC-STD |
50 |
18 |
7 |
53 |
5 |
28-110 |
85 |
10.5 |
S608 |
80 |
| HC-31053 |
HC-STD 2" |
50 |
19 |
11 |
56 |
12 |
29-110 |
83 |
10 |
S6000 |
150 |
| HC-31054 |
HC-STD 2-1/2" |
60 |
20 |
13 |
65 |
14 |
29-120 |
95 |
10 |
S6000 |
150 |
| HC-31055 |
HC-STD 3" |
75 |
26 |
20 |
84 |
21 |
35-135 |
108 |
10 |
S6201 |
300 |
| HC-31056 |
HC-STD 3-1/2" |
90 |
32 |
22 |
100 |
23 |
43-126 |
90 |
10 |
S6301 |
350 |
| HC-31057 |
HC-STD 4" |
100 |
34 |
27 |
109 |
25 |
45-146 |
112 |
10 |
S6301 |
350 |
¡á ±Ô°ÝÇ¥(¿Ã½ºÅÙ¹ÙÄû¸¸ HC-ST)
| ǰ¹ø |
ǰ¸í |
¹ÙÄû¿Ü°æ
(D) |
¹ÙÄûÆø
(W) |
È¨Æø
(W1) |
Ȩ±íÀÌ
(H1) |
»ðÀÔº£¾î¸µ
(Z) |
Çã¿ëÇÏÁß
(kg) |
| HC-310200 |
HC-ST |
50 |
18 |
7 |
5 |
S608(º°µµ) |
80 |
| HC-310530 |
HC-ST 2" |
50 |
19 |
11 |
12 |
S6000(º°µµ) |
150 |
| HC-310540 |
HC-ST 2-1/2" |
60 |
20 |
13 |
14 |
S6000(º°µµ) |
150 |
| HC-310550 |
HC-ST 3" |
75 |
26 |
20 |
21 |
S6201(º°µµ) |
300 |
| HC-310560 |
HC-ST 3-1/2" |
90 |
32 |
22 |
23 |
S6301(º°µµ) |
350 |
| HC-310570 |
HC-ST 4" |
100 |
34 |
27 |
25 |
S6301(º°µµ) |
350 |
°¢°ü ±Ô°ÝÇ¥
| º¯±æÀÌ(m/m) |
µÎ²²(m/m) |
´ÜÀ§Áß·®(kg/m) |
| 15*15 |
1.4 |
0.566 |
| 15*15 |
1.6 |
0.616 |
| 19*15 |
1.4 |
0.733 |
| 19*15 |
1.6 |
0.816 |
| 20*20 |
1.2 |
0.679 |
| 20*20 |
1.6 |
0.872 |
| 25*25 |
1.2 |
0.867 |
| 25*25 |
1.6 |
1.12 |
|
|