|
|
 | Ư¡ :
- ±âÂ÷·¹ÀÏ¿¡ ¸ÂÃß¾î »ç¿ëÇÒ ¼ö ÀÖµµ·Ï Á¦ÀÛ.
- °íÁß·® °í±ÞÇüÀ¸·Î »ç¿ëÇÒ ¼ö ÀÖµµ·Ï Á¦ÀÛ(9~37kg)
¿ëµµ :
- 9kg·¹ÀÏ 34mm/ 15kg·¹ÀÏ 45mm/ 22kg·¹ÀÏ 52mm È¨Æø »ç¿ë.
- 30~37kg ·¹Àϰâ¿ë 65mm È¨Æø »ç¿ë. |
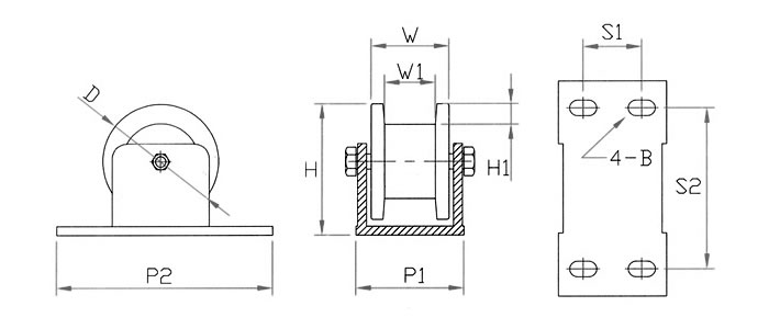
¡á ±Ô°ÝÇ¥(ö ÇϺηζó °íÁ¤)
| ǰ¹ø |
ǰ¸í |
¹ÙÄû¿Ü°æ
(D) |
¹ÙÄûÆø
(W) |
È¨Æø
(W1) |
Àüü³ôÀÌ
(H) |
Ȩ±íÀÌ
(H1) |
¹ØÆÇ³ÐÀÌ
(P1-P2) |
º¼Æ®°£°Å¸®
(S1-S2) |
º¼Æ®È¦
(B) |
»ðÀÔº£¾î¸µ
(Z) |
Çã¿ëÇÏÁß
(kg) |
| HC-31016 |
ÇϺηζó°íÁ¤ 9kg |
80 |
52 |
35 |
88.5 |
15 |
72-145 |
39-108 |
10.2 |
6202 |
300 |
| HC-31017 |
ÇϺηζó°íÁ¤ 9kg |
100 |
70 |
35 |
142 |
10 |
114-159 |
74-129 |
12.5 |
6204 |
800 |
| HC-31018 |
ÇϺηζó°íÁ¤ 15kg |
100 |
70 |
45 |
142 |
10 |
114-159 |
74-129 |
12.5 |
6204 |
800 |
| HC-31019 |
ÇϺηζó°íÁ¤ 22kg |
100 |
70 |
52 |
142 |
10 |
114-159 |
74-129 |
12.5 |
6204 |
800 |
¡á ±Ô°ÝÇ¥(°íÇÏÁß ÇϺηζó °íÁ¤)
| ǰ¹ø |
»óǰ¸í |
¹ÙÄû¿Ü°æ
(D) |
¹ÙÄûÆø
(W) |
È¨Æø
(W1) |
Àüü³ôÀÌ
(H) |
Ȩ±íÀÌ
(H1) |
¹ØÆÇ³ÐÀÌ
(P1-P2) |
º¼Æ®°£°Å¸®
(S1-S2) |
º¼Æ®È¦
(B) |
»ðÀÔº£¾î¸µ
(Z) |
Çã¿ëÇÏÁß
(kg) |
| HC-31047 |
ÇϺηζó°íÁ¤ 9kg |
130 |
55 |
35 |
144 |
15 |
96-99 |
70-72.5 |
10.5 |
6204 |
800 |
| HC-31048 |
ÇϺηζó°íÁ¤ 30~37kg |
150 |
92 |
65 |
172 |
25 |
180-130 |
147-97.5 |
14.5 |
6304 |
1000 |
¡á ±Ô°ÝÇ¥(¿Ã½ºÅÙ ÇϺηζó °íÁ¤)
| ǰ¹ø |
ǰ¸í |
¹ÙÄû¿Ü°æ
(D) |
¹ÙÄûÆø
(W) |
È¨Æø
(W1) |
Àüü³ôÀÌ
(H) |
Ȩ±íÀÌ
(H1) |
¹ØÆÇ³ÐÀÌ
(P1-P2) |
º¼Æ®°£°Å¸®
(S1-S2) |
º¼Æ®È¦
(B) |
»ðÀÔº£¾î¸µ
(Z) |
Çã¿ëÇÏÁß
(kg) |
| HC-31049 |
ÇϺηζó°íÁ¤
9kg SUS |
80 |
52 |
35 |
88.5 |
15 |
72-145 |
39-108 |
10.2 |
S6201 |
300 |
| HC-31050 |
ÇϺηζó°íÁ¤
9kg SUS |
100 |
70 |
35 |
142 |
10 |
114-159 |
74-129 |
12.5 |
S6204 |
800 |
| HC-31051 |
ÇϺηζó°íÁ¤
15kg SUS |
100 |
70 |
45 |
142 |
10 |
114-159 |
74-129 |
12.5 |
S6204 |
800 |
| HC-31052 |
ÇϺηζó°íÁ¤
22kg SUS |
100 |
70 |
52 |
142 |
10 |
114-159 |
74-129 |
12.5 |
S6204 |
800 |
| ±¸ºÐ |
°øÁ¤Ä¡¼ö |
A |
B |
C |
D |
F |
| °æ·®·¹ÀÏ |
9kg |
63.50 |
63.50 |
32.10 |
17.48 |
35.72 |
| 15kg |
79.37 |
79.37 |
42.86 |
22.22 |
43.65 |
| 22kg |
93.66 |
93.66 |
50.80 |
26.69 |
50.00 |
| Áß·¹ÀÏ(º¸Åë·¹ÀÏ) |
30kg |
107.95 |
107.95 |
60.33 |
30.95 |
57.55 |
| 37kg |
122.24 |
122.24 |
62.71 |
36.12 |
64.69 |
| 50kgN |
144.46 |
127.00 |
65.00 |
49.00 |
74.00 |
| 60kg |
174.00 |
145.00 |
65.00 |
49.00 |
30.10 |
| 70kg |
148.00 |
140.00 |
65.30 |
52.00 |
68.00 |
|
|