|
|
 | HC-TH1
¿ëµµ :
- â°í ÃâÀÔ¹®, ºñ´Ò ÇϿ콺.
- ÀܳÚ, »ç°¢ÆÄÀÌÇÁ, Hºö ÀÌ¿ë. |
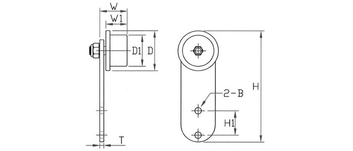
¡á ±Ô°ÝÇ¥
| ǰ¹ø |
»óǰ¸í |
¹ÙÄû¿Ü°æ
(D-D1) |
ÀüÃ¼Æø
(W) |
¹ÙÄûÆø
(W1) |
Àüü³ôÀÌ
(H) |
Ȧ°£°Ý
(H1) |
»Ñ¶óÄÏT
(T) |
º¼Æ®È¦
(B) |
»ðÀÔº£¾î¸µ
(Z) |
Çã¿ëÇÏÁß
(kg) |
| HC-21040 |
HC-TH1 |
60-46 |
37.5 |
31 |
163 |
40 |
6 |
8.5 |
6201 |
100 |
|
|