|
|
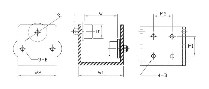
 | HC-HS6/HC-IS6
Ư¡ :
- Hºö ¶Ç´Â Iºö¿ëÀ¸·Î »óºÎ¿Í ÇϺαâ´É 6°³ÀÇ ·Î¶ó·Î ÀÌÅ»¹æÁö ¿ªÇÒ.
- º¼º£¾î¸µ »ç¿ë.
¿ëµµ :
- õÁ¤¿ë 6·û Æ®·Î¸® ÇϺΠÇÏÁß¿ë.
- ¹Ù´Ú¿ë 6·û Æ®·Î¸® »óºÎ¿ë. |
¡á ±Ô°ÝÇ¥(Hºö¿ë - ÀÚ ·Î¶ó)
| ǰ¹ø |
»óǰ¸í |
Hºö¿ë |
¹ÙÄû¿Ü°æ
(D) |
¹ÙÄû¿Ü°æ
(D1) |
¹ÙÄû»çÀÌÆø
(W) |
¹ØÆÇÀü¹æ
(W1-W2) |
Àüü³ôÀÌ
(H) |
Ȧ°£»çÀÌÆø
(M1-M2) |
º¼Æ®È¦
(B) |
»ðÀÔº£¾î¸µ
(Z) |
Çã¿ëÇÏÁß
(kg) |
| HC-21028 |
HC-HS6 75 |
75 |
60 |
46 |
80 |
115-125 |
137 |
60(2Ȧ) |
12.5 |
6201 |
300 |
| HC-21029 |
HC-HS6 100 |
100 |
60 |
46 |
105 |
141-125 |
137 |
60(4Ȧ) |
12.5 |
6201 |
300 |
¡á ±Ô°ÝÇ¥(Iºö¿ë Å×ÀÌÆÛÇü ·Î¶ó)
| ǰ¹ø |
»óǰ¸í |
Hºö¿ë |
¹ÙÄû¿Ü°æ
(D) |
¹ÙÄû¿Ü°æ
(D1) |
¹ÙÄû»çÀÌÆø
(W) |
¹ØÆÇÀü¹æ
(W1-W2) |
Àüü³ôÀÌ
(H) |
Ȧ°£»çÀÌÆø
(M1-M2) |
º¼Æ®È¦
(B) |
»ðÀÔº£¾î¸µ
(Z) |
Çã¿ëÇÏÁß
(kg) |
| HC-21054 |
HC-IS6 75 |
75 |
60 |
48-42 |
80 |
115-125 |
137 |
60(2Ȧ) |
12.5 |
6201 |
300 |
| HC-21055 |
HC-IS6 100 |
100 |
60 |
48-42 |
105 |
141-125 |
137 |
60(4Ȧ) |
12.5 |
6201 |
300 |
| H*B |
t1 |
t2 |
| 100*75 |
3.0 |
4.5 |
| 100*100 |
3.2 |
4.5 |
| 100*100 |
6.0 |
9.0 |
| 125*75 |
3.2 |
4.5 |
| 125*100 |
3.2 |
4.5 |
| 125*125 |
6.0 |
9.0 |
| 150*75 |
3.2 |
4.5 |
| 150*75 |
5.0 |
7.0 |
| 150*100 |
3.2 |
4.5 |
| 150*100 |
3.2 |
6.0 |
| 150*100 |
6.0 |
9.0 |
| 150*150 |
3.2 |
6.0 |
| 150*150 |
6.0 |
9.0 |
| 200*100 |
3.2 |
4.5 |
| 200*100 |
3.2 |
6.0 |
| 250*100 |
3.2 |
4.5 |
| 250*100 |
4.5 |
9.0 |
| H*B |
t1 |
t2 |
r1 |
r2 |
| 100*75 |
5 |
8 |
7 |
3.5 |
| 125*75 |
5.5 |
9.5 |
9 |
4.5 |
| 150*75 |
5.5 |
9.5 |
9 |
4.5 |
| 200*100 |
7 |
10 |
10 |
5 |
|
|