|
|
 | Ư¡ :
- ¿ì·¹Åº ÄÚÆÃÀ¸·Î ¼ÒÀ½ ÃÖ¼ÒÈ.
- Hºö¿ëÀ¸·Î ¸Å´Þ¾Æ »ç¿ë.
¿ëµµ : °¢Á¾ ´ë¹®, âȣ¿¡ »ç¿ë. |
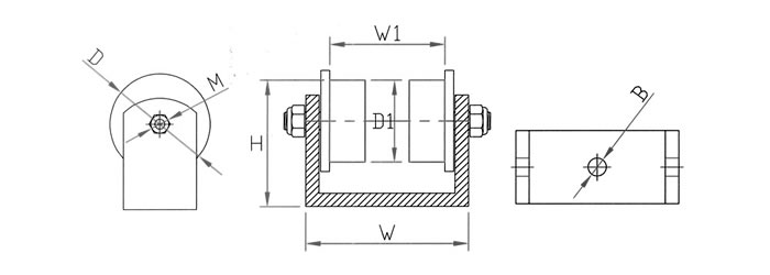
¡á ±Ô°ÝÇ¥
| ǰ¹ø |
»óǰ¸í |
Hºö¿ë |
¹ÙÄû¿Ü°æ
(D) |
¹ÙÄû¿Ü°æ
(D1) |
ÀüüÀüÀå
(W) |
¹ÙÄû»çÀÌÆø
(W1) |
Àüü³ôÀÌ
(H) |
»ç¿ëº¼Æ®
(M) |
º¼Æ®È¦
(B) |
»ðÀÔº£¾î¸µ
(Z) |
Çã¿ëÇÏÁß
(kg) |
| HC-21022 |
HC-HU 3" |
75 |
69 |
56 |
115 |
80 |
88.5 |
12 |
12.5 |
6201 |
200 |
| HC-21023 |
HC-HU 4" |
100 |
69 |
56 |
142 |
105 |
88.5 |
12 |
12.5 |
6201 |
200 |
| H*B |
t1 |
t2 |
| 100*75 |
3.0 |
4.5 |
| 100*100 |
3.2 |
4.5 |
| 100*100 |
6.0 |
9.0 |
| 125*75 |
3.2 |
4.5 |
| 125*100 |
3.2 |
4.5 |
| 125*125 |
6.0 |
9.0 |
| 150*75 |
3.2 |
4.5 |
| 150*75 |
5.0 |
7.0 |
| 150*100 |
3.2 |
4.5 |
| 150*100 |
3.2 |
6.0 |
| 150*100 |
6.0 |
9.0 |
| 150*150 |
3.2 |
6.0 |
| 150*150 |
6.0 |
9.0 |
| 200*100 |
3.2 |
4.5 |
| 200*100 |
3.2 |
6.0 |
|
|