|
|
 | Ư¡ :
- Iºö »ç¿ëÀ¸·Î ¾ÈÁ¤°¨ ÀÖÀ½.
- Áß·® °øÀå ÃâÀÔ±¸, °ø»çÇöÀå ÃâÀÔ±¸ ÀûÇÕÇÔ. |
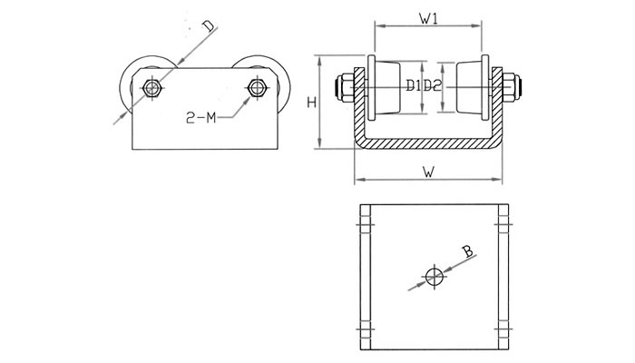
¡á ±Ô°ÝÇ¥(³·À½¿ë)
| ǰ¹ø |
»óǰ¸í |
Iºö¿ë |
¹ÙÄû¿Ü°æ
(D) |
¹ÙÄû¿Ü°æ
(D1-D2) |
ÀüüÀüÀå
(W) |
¹ÙÄû»çÀÌÆø
(W1) |
Àüü³ôÀÌ
(H) |
»ç¿ëº¼Æ®
(M) |
º¼Æ®È¦
(B) |
»ðÀÔº£¾î¸µ
(Z) |
Çã¿ëÇÏÁß
(kg) |
| HC-21017 |
HC-IS 3" |
75 |
60 |
48-42 |
110 |
80 |
87 |
12 |
12.5 |
6201 |
300 |
| HC-21018 |
HC-IS 4" |
100 |
60 |
48-42 |
135 |
105 |
89 |
12 |
12.5 |
6201 |
300 |
| HC-21019 |
HC-IS 5" |
125 |
79 |
64-59 |
177 |
132 |
112 |
20 |
20.5 |
6004 |
500 |
| HC-21020 |
HC-IS 6" |
150 |
79 |
64-59 |
203 |
158 |
112 |
20 |
20.5 |
6004 |
500 |
| HC-21021 |
HC-IS 8" |
200 |
79 |
64-59 |
255 |
205 |
112 |
20 |
20.5 |
6004 |
500 |
| HC-21051 |
HC-IS 4"
°íÇÏÁß |
100 |
79 |
64-59 |
150 |
105 |
112 |
20 |
20.5 |
6004 |
500 |
¡á ±Ô°ÝÇ¥(³ôÀ½¿ë)
| ǰ¹ø |
»óǰ¸í |
Iºö¿ë |
¹ÙÄû¿Ü°æ
(D) |
¹ÙÄû¿Ü°æ
(D1-D2) |
ÀüüÀüÀå
(W) |
¹ÙÄû»çÀÌÆø
(W1) |
Àüü³ôÀÌ
(H) |
»ç¿ëº¼Æ®
(M) |
º¼Æ®È¦
(B) |
»ðÀÔº£¾î¸µ
(Z) |
Çã¿ëÇÏÁß
(kg) |
| HC-21046 |
HC-I 3"-3 |
75 |
60 |
48-42 |
110 |
80 |
98 |
15 |
16 |
6201 |
300 |
| HC-21047 |
HC-I 4"-4 |
100 |
60 |
48-42 |
135 |
105 |
98 |
15 |
16 |
6201 |
300 |
| H*B |
t1 |
t2 |
r1 |
r2 |
| 100*75 |
5 |
8 |
7 |
3.5 |
| 125*75 |
5.5 |
9.5 |
9 |
4.5 |
| 150*75 |
5.5 |
9.5 |
9 |
4.5 |
| 200*100 |
7 |
10 |
10 |
5 |
| 250*125 |
7.5 |
12.5 |
12 |
6 |
| 300*150 |
10 |
18.5 |
19 |
9.5 |
| 300*150 |
11.5 |
22 |
23 |
11.5 |
| 350*150 |
9 |
15 |
13 |
6.5 |
| 350*150 |
12 |
24 |
25 |
12.5 |
| 400*150 |
10 |
18 |
17 |
8.5 |
| 400*150 |
12.5 |
25 |
27 |
13.5 |
| 450*175 |
11 |
20 |
19 |
9.5 |
| 400*175 |
13 |
26 |
27 |
13.5 |
| 600*190 |
13 |
25 |
25 |
12.5 |
| 600*190 |
16 |
35 |
38 |
19 |
|
|