|
|
 | Ư¡ :
- ·¹ÀÏÀº Hºö »ç¿ë.
- »ç·û »ç¿ëÇÏ¿© ¾ÈÁ¤¼ºÀÌ ¿ì¼öÇÔ.
- Áß·® °øÀå ÃâÀÔ±¸, °ø»çÇöÀå ÃâÀÔ±¸ ÀûÇÕÇÔ. |
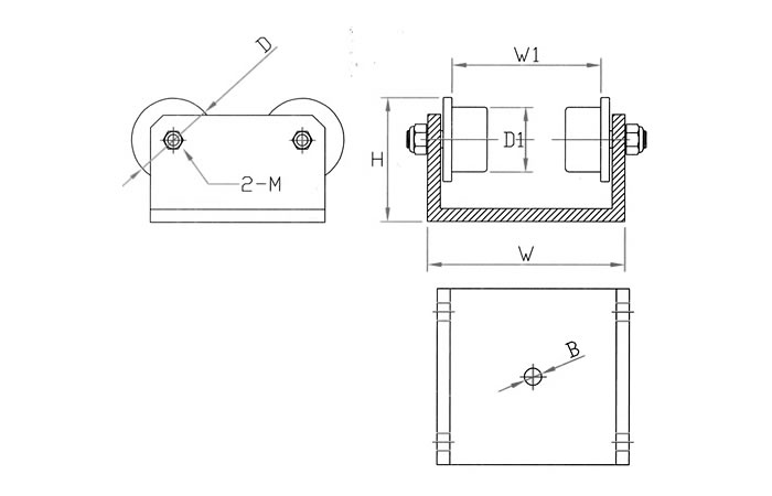
¡á ±Ô°ÝÇ¥(³·À½¿ë)
| ǰ¹ø |
»óǰ¸í |
Hºö¿ë |
¹ÙÄû¿Ü°æ
(D) |
¹ÙÄû¿Ü°æ
(D1) |
ÀüüÀüÀå
(W) |
¹ÙÄû»çÀÌÆø
(W1) |
Àüü³ôÀÌ
(H) |
»ç¿ëº¼Æ®
(M) |
º¼Æ®È¦
(B) |
»ðÀÔº£¾î¸µ
(Z) |
Çã¿ëÇÏÁß
(kg) |
| HC-21012 |
HC-HS 3" |
75 |
60 |
46 |
110 |
80 |
87 |
12 |
12.5 |
6201 |
300 |
| HC-21013 |
HC-HS 4" |
100 |
60 |
46 |
135 |
105 |
89 |
12 |
12.5 |
6201 |
300 |
| HC-21014 |
HC-HS 5" |
125 |
79 |
59 |
177 |
132 |
112 |
20 |
20.5 |
6004 |
500 |
| HC-21015 |
HC-HS 6" |
150 |
79 |
59 |
203 |
158 |
112 |
20 |
20.5 |
6004 |
500 |
| HC-21016 |
HC-HS 8" |
200 |
79 |
59 |
255 |
205 |
112 |
20 |
20.5 |
6004 |
500 |
| HC-21048 |
HC-HS 4"
°íÇÏÁß |
100 |
79 |
59 |
150 |
105 |
112 |
20 |
20.5 |
6004 |
500 |
¡á ±Ô°ÝÇ¥(³ôÀ½¿ë)
| ǰ¹ø |
»óǰ¸í |
Hºö¿ë |
¹ÙÄû¿Ü°æ
(D) |
¹ÙÄû¿Ü°æ
(D1) |
ÀüüÀüÀå
(W) |
¹ÙÄû»çÀÌÆø
(W1) |
Àüü³ôÀÌ
(H) |
»Ñ¶óÄÏT
(T) |
º¼Æ®È¦
(B) |
»ðÀÔº£¾î¸µ
(Z) |
Çã¿ëÇÏÁß
(kg) |
| HC-21049 |
HC-HS 3"-3 |
75 |
60 |
46 |
110 |
80 |
98 |
15 |
16 |
6201 |
300 |
| HC-21050 |
HC-HS 4"-4 |
100 |
60 |
46 |
135 |
105 |
98 |
15 |
16 |
6201 |
300 |
| H*B |
t1 |
t2 |
|
H*B |
t1 |
t2 |
| 100*75 |
3.0 |
4.5 |
|
200*100 |
3.2 |
4.5 |
| 100*100 |
3.2 |
4.5 |
|
200*100 |
3.2 |
6.0 |
| 100*100 |
6.0 |
9.0 |
|
200*150 |
3.2 |
4.5 |
| 125*75 |
3.2 |
4.5 |
|
200*150 |
3.2 |
6.0 |
| 125*100 |
3.2 |
4.5 |
|
200*150 |
4.5 |
6.0 |
| 125*125 |
6.0 |
9.0 |
|
200*150 |
6.0 |
9.0 |
| 150*75 |
3.2 |
4.5 |
|
200*200 |
6.0 |
9.0 |
| 150*75 |
5.0 |
7.0 |
|
250*100 |
3.2 |
4.5 |
| 150*100 |
3.2 |
4.5 |
|
250*100 |
4.5 |
9.0 |
| 150*100 |
3.2 |
6.0 |
|
250*125 |
3.2 |
4.5 |
| 150*100 |
6.0 |
9.0 |
|
250*125 |
4.5 |
6.0 |
| 150*150 |
3.2 |
6.0 |
|
250*125 |
4.5 |
9.0 |
| 150*150 |
6.0 |
9.0 |
|
250*150 |
3.2 |
4.5 |
| |
|
|
|
250*150 |
4.5 |
6.0 |
| |
|
|
|
250*150 |
4.5 |
9.0 |
|
|