|
|
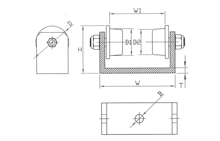
 | Ư¡ :
- Iºö »ç¿ëÀ¸·Î ¿©·¯ ÇüÅÂÀÇ ÀÛ¾÷.
- µµÀå ¼³ºñ °øÀå, ÃâÀÔ±¸, Iºö Æ®·Î¸®Ç×°¡. |
¡á ±Ô°ÝÇ¥(³·À½¿ë)
| ǰ¹ø |
»óǰ¸í |
Iºö¿ë |
¹ÙÄû¿Ü°æ
(D) |
¹ÙÄû¿Ü°æ
(D1-D2) |
ÀüüÀüÀå
(W) |
¹ÙÄû»çÀÌÆø
(W1) |
Àüü³ôÀÌ
(H) |
»Ñ¶óÄÏT
(T) |
º¼Æ®È¦
(B) |
»ðÀÔº£¾î¸µ
(Z) |
Çã¿ëÇÏÁß
(kg) |
| HC-21007 |
HC-I 3" |
75 |
60 |
48-42 |
115 |
83 |
83 |
9 |
12.5 |
6201 |
150 |
| HC-21008 |
HC-I 4" |
100 |
60 |
48-42 |
142 |
105 |
83 |
9 |
12.5 |
6201 |
150 |
| HC-21009 |
HC-I 5" |
125 |
79 |
64-59 |
177 |
132 |
111 |
12 |
20.5 |
6004 |
300 |
| HC-21010 |
HC-I 6" |
150 |
79 |
64-59 |
202 |
157 |
111 |
12 |
20.5 |
6004 |
300 |
| HC-21011 |
HC-I 8" |
200 |
79 |
64-59 |
251 |
205 |
111 |
12 |
20.5 |
6004 |
300 |
| HC-21045 |
HC-I 4"
°íÇÏÁß |
100 |
79 |
64-59 |
150 |
105 |
111 |
12 |
20.5 |
6004 |
300 |
¡á ±Ô°ÝÇ¥(³ôÀ½¿ë)
| ǰ¹ø |
»óǰ¸í |
Iºö¿ë |
¹ÙÄû¿Ü°æ
(D) |
¹ÙÄû¿Ü°æ
(D1-D2) |
ÀüüÀüÀå
(W) |
¹ÙÄû»çÀÌÆø
(W1) |
Àüü³ôÀÌ
(H) |
»Ñ¶óÄÏT
(T) |
º¼Æ®È¦
(B) |
»ðÀÔº£¾î¸µ
(Z) |
Çã¿ëÇÏÁß
(kg) |
| HC-21046 |
HC-I 3"-3 |
75 |
60 |
48-42 |
115 |
83 |
93 |
9 |
12.5 |
6201 |
150 |
| HC-21047 |
HC-I 4"-4 |
100 |
60 |
48-42 |
142 |
105 |
93 |
9 |
12.5 |
6201 |
150 |
| H |
B |
C |
T |
| 75 |
45 |
15 |
1.6 |
| 75 |
45 |
15 |
2.0 |
| 100 |
50 |
20 |
1.6 |
| 100 |
50 |
20 |
2.0 |
| 100 |
50 |
20 |
2.3 |
| 100 |
50 |
20 |
2.6 |
| 100 |
50 |
20 |
3.2 |
| H*B |
t1 |
t2 |
|
H*B |
t1 |
t2 |
| 100*75 |
3.0 |
4.5 |
|
200*100 |
3.2 |
4.5 |
| 100*100 |
3.2 |
4.5 |
|
200*100 |
3.2 |
6.0 |
| 100*100 |
6.0 |
9.0 |
|
200*150 |
3.2 |
4.5 |
| 125*75 |
3.2 |
4.5 |
|
200*150 |
3.2 |
6.0 |
| 125*100 |
3.2 |
4.5 |
|
200*150 |
4.5 |
6.0 |
| 125*125 |
6.0 |
9.0 |
|
200*150 |
6.0 |
9.0 |
| 150*75 |
3.2 |
4.5 |
|
200*200 |
6.0 |
9.0 |
| 150*75 |
5.0 |
7.0 |
|
250*100 |
3.2 |
4.5 |
| 150*100 |
3.2 |
4.5 |
|
250*100 |
4.5 |
9.0 |
| 150*100 |
3.2 |
6.0 |
|
250*125 |
3.2 |
4.5 |
| 150*100 |
6.0 |
9.0 |
|
250*125 |
4.5 |
6.0 |
| 150*150 |
3.2 |
6.0 |
|
250*125 |
4.5 |
9.0 |
| 150*150 |
6.0 |
9.0 |
|
250*150 |
3.2 |
4.5 |
| |
|
|
|
250*150 |
4.5 |
6.0 |
| |
|
|
|
250*150 |
4.5 |
9.0 |
| H*B |
t1 |
t2 |
r1 |
r2 |
|
H*B |
t1 |
t2 |
r1 |
r2 |
| 100*75 |
5 |
8 |
7 |
3.5 |
|
350*150 |
12 |
24 |
25 |
12.5 |
| 125*75 |
5.5 |
9.5 |
9 |
4.5 |
|
400*150 |
10 |
18 |
17 |
8.5 |
| 150*75 |
5.5 |
9.5 |
9 |
4.5 |
|
400*150 |
12.5 |
25 |
27 |
13.5 |
| 200*100 |
7 |
10 |
10 |
5 |
|
450*175 |
11 |
20 |
19 |
9.5 |
| 250*125 |
7.5 |
12.5 |
12 |
6 |
|
400*175 |
13 |
26 |
27 |
13.5 |
| 300*150 |
10 |
18.5 |
19 |
9.5 |
|
600*190 |
13 |
25 |
25 |
12.5 |
| 300*150 |
11.5 |
22 |
23 |
11.5 |
|
600*190 |
16 |
35 |
38 |
19 |
| 350*150 |
9 |
15 |
13 |
6.5 |
|
|
|
|
|
|
|
|