|
|
 | Ư¡ :
- º¼º£¾î¸µ »ç¿ëÀ¸·Î ±¸¸§¼ºÀÌ Å¹¿ùÇÔ.
- ·¹ÀÏÀº Hºö »ç¿ë.
- ±â°è°øÀå, µµÀå¼³ºñ°øÀå, °øÀåÃâÀÔ±¸ °¢Á¾ âȣ. |
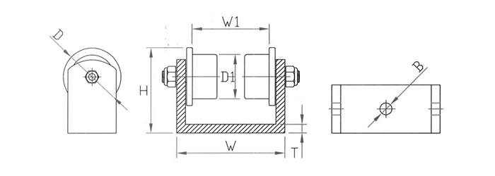
¡á ±Ô°ÝÇ¥(³·À½¿ë)
| ǰ¹ø |
»óǰ¸í |
Hºö¿ë |
¹ÙÄû¿Ü°æ
(D) |
¹ÙÄû¿Ü°æ
(D1) |
ÀüüÀüÀå
(W) |
¹ÙÄû»çÀÌÆø
(W1) |
Àüü³ôÀÌ
(H) |
»Ñ¶óÄÏT
(T) |
º¼Æ®È¦
(B) |
»ðÀÔº£¾î¸µ
(Z) |
Çã¿ëÇÏÁß
(kg) |
| HC-21002 |
HC-H 3" |
75 |
60 |
46 |
115 |
83 |
83 |
9 |
12.5 |
6201 |
150 |
| HC-21003 |
HC-H 4" |
100 |
60 |
46 |
142 |
105 |
83 |
9 |
12.5 |
6201 |
150 |
| HC-21004 |
HC-H 5" |
125 |
79 |
59 |
177 |
132 |
111 |
12 |
20.5 |
6004 |
300 |
| HC-21005 |
HC-H 6" |
150 |
79 |
59 |
202 |
157 |
111 |
12 |
20.5 |
6004 |
300 |
| HC-21006 |
HC-H 8" |
200 |
79 |
59 |
251 |
205 |
111 |
12 |
20.5 |
6004 |
300 |
| HC-21042 |
HC-H 4"
°íÇÏÁß |
100 |
79 |
59 |
150 |
105 |
111 |
12 |
20.5 |
6004 |
300 |
¡á ±Ô°ÝÇ¥(³ôÀ½¿ë)
| ǰ¹ø |
»óǰ¸í |
Hºö¿ë |
¹ÙÄû¿Ü°æ
(D) |
¹ÙÄû¿Ü°æ
(D1) |
ÀüüÀüÀå
(W) |
¹ÙÄû»çÀÌÆø
(W1) |
Àüü³ôÀÌ
(H) |
»Ñ¶óÄÏT
(T) |
º¼Æ®È¦
(B) |
»ðÀÔº£¾î¸µ
(Z) |
Çã¿ëÇÏÁß
(kg) |
| HC-21043 |
HC-H 3"-3 |
75 |
60 |
46 |
115 |
83 |
93 |
9 |
12.5 |
6201 |
150 |
| HC-21044 |
HC-H 4"-4 |
100 |
60 |
46 |
142 |
105 |
93 |
9 |
12.5 |
6201 |
150 |
| H |
B |
C |
T |
| 75 |
45 |
15 |
1.6 |
| 75 |
45 |
15 |
2.0 |
| 100 |
50 |
20 |
1.6 |
| 100 |
50 |
20 |
2.0 |
| 100 |
50 |
20 |
2.3 |
| 100 |
50 |
20 |
2.6 |
| 100 |
50 |
20 |
3.2 |
| H*B |
t1 |
t2 |
|
H*B |
t1 |
t2 |
| 100*75 |
3.0 |
4.5 |
|
200*100 |
3.2 |
4.5 |
| 100*100 |
3.2 |
4.5 |
|
200*100 |
3.2 |
6.0 |
| 100*100 |
6.0 |
9.0 |
|
200*150 |
3.2 |
4.5 |
| 125*75 |
3.2 |
4.5 |
|
200*150 |
3.2 |
6.0 |
| 125*100 |
3.2 |
4.5 |
|
200*150 |
4.5 |
6.0 |
| 125*125 |
6.0 |
9.0 |
|
200*150 |
6.0 |
9.0 |
| 150*75 |
3.2 |
4.5 |
|
200*200 |
6.0 |
9.0 |
| 150*75 |
5.0 |
7.0 |
|
250*100 |
3.2 |
4.5 |
| 150*100 |
3.2 |
4.5 |
|
250*100 |
4.5 |
9.0 |
| 150*100 |
3.2 |
6.0 |
|
250*125 |
3.2 |
4.5 |
| 150*100 |
6.0 |
9.0 |
|
250*125 |
4.5 |
6.0 |
| 150*150 |
3.2 |
6.0 |
|
250*125 |
4.5 |
9.0 |
| 150*150 |
6.0 |
9.0 |
|
250*150 |
3.2 |
4.5 |
| |
|
|
|
250*150 |
4.5 |
6.0 |
| |
|
|
|
250*150 |
4.5 |
9.0 |
|
|