|
|
 |
¡á »ç¾ç
| ǰ¹ø |
»óǰ¸í |
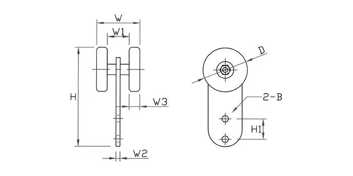
¹ÙÄû¿Ü°æ
(D) |
ÀüÃ¼Æø
(W) |
¹ÙÄû»çÀÌÆø
(W1) |
¹ÙÄûÆø
(W3) |
Àüü³ôÀÌ
(H) |
Ȧ°£°Å¸®
(H1) |
¹ØÆÇT
(W2) |
º¼Æ®È¦
(B) |
»ðÀÔº£¾î¸µ
(Z) |
Çã¿ëÇÏÁß
(kg) |
| HC-11037 |
HC-PSR 1-1/2" |
40 |
47.5 |
24 |
12 |
116 |
21 |
4.5 |
7.5 |
6000 |
70 |
| HC-11038 |
HC-PSR 2" |
50 |
47.5 |
24 |
12 |
121 |
21 |
4.5 |
7.5 |
6000 |
80 |
| HC-11039 |
HC-PSR 2-1/2" |
65 |
55 |
32 |
12 |
166 |
40 |
6 |
9.5 |
6000 |
90 |
| HC-11040 |
HC-PSR 3" |
75 |
55 |
32 |
12 |
170 |
40 |
6 |
9.5 |
6000 |
100 |
| HC-11053 |
HC-PSR 26 |
26 |
46.5 |
27 |
8 |
109 |
21 |
4.5 |
7.5 |
6000 |
50 |
| HC-11054 |
HC-PSR 53 |
53 |
47.5 |
22 |
13 |
123 |
21 |
4.5 |
7.5 |
6000 |
85 |
| HC-11055 |
HC-PSR 55 |
55 |
47.5 |
22 |
13 |
124 |
21 |
4.5 |
7.5 |
6000 |
90 |
|
|