|
|
 | HC-SRSFN
Ư¡ : ³ªÀÌ·Ð ÀçÁú·Î ¼ÒÀ½ÀÌ ÃÖ¼ÒÈ.
¿ëµµ :
- ÀÜ³Ú µµ¾î¿¡ ³Î¸® »ç¿ë.
- º¹Â÷·Î¶ó. |
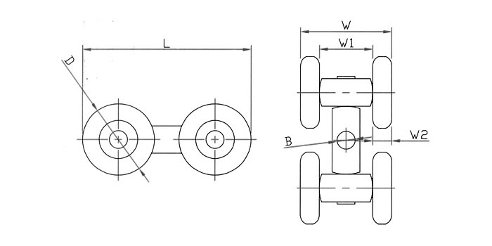
¡á »ç¾ç
| ǰ¹ø |
»óǰ¸í |
¹ÙÄû¿Ü°æ
(D) |
ÀüÃ¼Æø
(W) |
¹ÙÄû»çÀÌÆø
(W1) |
¹ÙÄûÆø
(W2) |
˟ˌ
(L) |
º¼Æ®È¦
(B) |
»ðÀÔº£¾î¸µ
(Z) |
Çã¿ëÇÏÁß
(kg) |
| HC-11027 |
HC-SRSFN 65F |
62 |
81 |
48 |
17 |
139 |
16.5 |
6003 |
250 |
|
|