|
|
 | HC-SRSNN
Ư¡ :
- MC/ ¿£Áö´Ï¾î¸µ PVC ÀçÁú·Î °¡°ø.
- º¼º£¾î¸µÀ» »ç¿ëÇÏ¿© º¸´Ù ±ä ¼öº´À» À¯Áö.
¿ëµµ :
- Áß·® µµ¾î¿¡ ÀûÇÕ.
- ¶óÀÎ ÀÛ¾÷¿ë. |
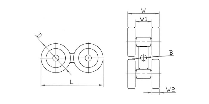
¡á »ç¾ç
| ǰ¹ø |
»óǰ¸í |
¹ÙÄû¿Ü°æ
(D) |
ÀüÃ¼Æø
(W) |
¹ÙÄû»çÀÌÆø
(W1) |
¹ÙÄûÆø
(W2) |
˟ˌ
(L) |
º¼Æ®È¦
(B) |
»ðÀÔº£¾î¸µ
(Z) |
Çã¿ëÇÏÁß
(kg) |
| HC-11028 |
HC-SRSNN 80 |
80 |
84 |
45 |
20 |
172 |
16.5 |
6003 |
200 |
| HC-11029 |
HC-SRSNN 100 |
100 |
124 |
85 |
20 |
220 |
16.5 |
603 |
250 |
|
|