|
|
 | º¹Â÷·Î¶ó 4·û Ç×°¡(F)ö HC-SRSF
Ư¡ :
- º¼º£¾î¸µÀ» »ç¿ëÇÏ¿© º¸´Ù ±ä ¼ö¸íÀ» À¯Áö.
¿ëµµ :
- °í±Þ °øÀå ÃâÀÔ±¸ »ç¿ë.
- Áß·®¹° À̵¿¼ö´Ü, ¶óÀÎ ÀÛ¾÷ »ç¿ë.
- ÆÇ³Ú, ¹® »ç¿ë.
- º¹Â÷·Î¶ó. |
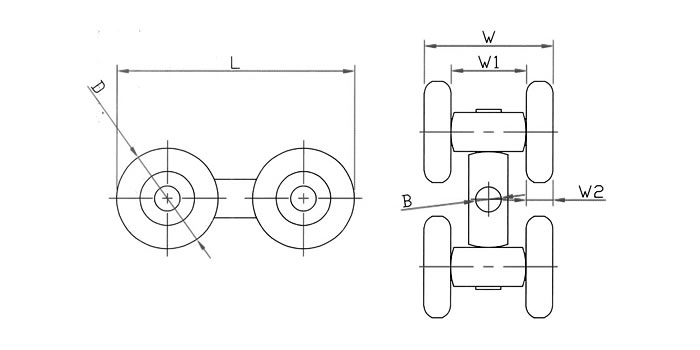
¡á »ç¾ç
| ǰ¹ø |
»óǰ¸í |
¹ÙÄû¿Ü°æ
(D) |
ÀüÃ¼Æø
(W) |
¹ÙÄû»çÀÌÆø
(W1) |
¹ÙÄûÆø
(W2) |
˟ˌ
(L) |
º¼Æ®È¦
(B) |
»ðÀÔº£¾î¸µ
(Z) |
Çã¿ëÇÏÁß
(kg) |
| HC-11022 |
HC-SRSF 45F |
45F |
55 |
28 |
13 |
92 |
12.5 |
6002 |
200 |
| HC-11023 |
HC-SRSF 55F |
55F |
67 |
38.5 |
14 |
132 |
16.5 |
6002 |
200 |
| HC-11024 |
HC-SRSF 65F |
65F |
81 |
48 |
17 |
142 |
16.5 |
6003 |
250 |
| HC-11025 |
HC-SRSF 80F |
80F |
85 |
46 |
20 |
171 |
16.5 |
6003 |
250 |
| HC-11026 |
HC-SRSF 90F |
90F |
120 |
86 |
16 |
205 |
16.5 |
6003 |
300 |
|
|