|
|
 | HC-SSRS
Ư¡ :
- ¾Æ¿¬µµ±ÝÀÌ µÇ¾î ÀÖ¾î ºÎ½Ä ¹æÁö°¡ Ź¿ùÇÔ.
- º¼º£¾î¸µÀ» »ç¿ëÇÏ¿© º¸´Ù ±ä ¼ö¸íÀ» À¯Áö.
¿ëµµ :
- ´ë¹® ÃâÀÔ±¸, °¢Á¾ â°í »ç¿ë. |
¡á »ç¾ç
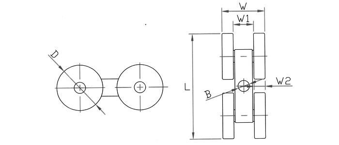
| ǰ¹ø |
»óǰ¸í |
¹ÙÄû¿Ü°æ
(D) |
ÀüÃ¼Æø
(W) |
¹ÙÄû»çÀÌÆø
(W1) |
¹ÙÄûÆø
(W2) |
˟ˌ
(L) |
º¼Æ®È¦
(B) |
»ðÀÔº£¾î¸µ
(Z) |
Çã¿ëÇÏÁß
(kg) |
| HC-11048 |
HC-SSRS 1-1/2" |
40 |
46 |
23 |
12 |
106 |
12.5 |
6000 |
100 |
| HC-11049 |
HC-SSRS 2" |
50 |
46 |
23 |
12 |
115 |
12.5 |
6000 |
100 |
| HC-11050 |
HC-SSRS 2-1/2" |
65 |
55 |
31 |
12 |
148 |
12.5 |
6000 |
120 |
| HC-11051 |
HC-SSRS 3" |
75 |
55 |
31 |
12 |
159 |
12.5 |
6000 |
180 |
|
|