|
|
 | HC-SRN
Ư¡ :
- ³ªÀÌ·Ð ÀçÁú.
- °¡º±°í ³»¿¼ºÀÌ °ÇÏ¸ç ¼ÒÀ½À» Á¦°Å.
¿ëµµ :
- °¢Á¾ µµ¾îÀÇ ÃâÀÔ¿ë ¶Ç´Â °øÀå Ŀư õ¸·¿ëÀ¸·Î ³Î¸® »ç¿ë. |
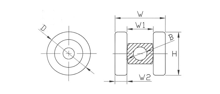
¡á »ç¾ç
| ǰ¹ø |
»óǰ¸í |
¹ÙÄû¿Ü°æ
(D) |
ÀüÃ¼Æø
(W) |
¹ÙÄû»çÀÌÆø
(W1) |
¹ÙÄûÆø
(W2) |
»ç°¢ºÀ |
º¼Æ®È¦
(B) |
»ðÀÔº£¾î¸µ
(Z) |
Çã¿ëÇÏÁß
(kg) |
| HC-11014 |
HC-SRN 1-1/2 |
40 |
47 |
24 |
11.5 |
19-19 |
12.5 |
6000 |
40 |
| HC-11015 |
HC-SRN 2" |
50 |
47 |
23 |
11.5 |
19-19 |
12.5 |
6000 |
50 |
| HC-11016 |
HC-SRN 2-1/2 |
60 |
55 |
31 |
12 |
22-22 |
12.5 |
6000 |
60 |
| HC-11044 |
HC-SRN 55 |
55 |
49 |
21 |
13 |
19-19 |
12.5 |
6000 |
55 |
|
|