|
|
 | HC-SRNN(F)
Ư¡ :
- »çÃâ ³ªÀÌ·Ð Á¦Ç°.
- ¼ÒÀ½ ÃÖ¼ÒÈ.
¿ëµµ :
- °øÀå ´ë¹®, ¶óÀÎ ¼³ºñµî »ç¿ë.
- ³ªÀÌ·Ð º¹Â÷ ·Î¶ó. |
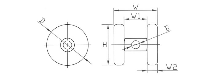
¡á »ç¾ç
| ǰ¹ø |
»óǰ¸í |
¹ÙÄû¿Ü°æ
(D) |
ÀüÃ¼Æø
(W) |
¹ÙÄû»çÀÌÆø
(W1) |
¹ÙÄûÆø
(W2) |
º¼Æ®È¦
(B) |
»ðÀÔº£¾î¸µ
(Z) |
Çã¿ëÇÏÁß
(kg) |
| HC-11013 |
HC-SRNN 65F |
62 |
81 |
48 |
17 |
16.5 |
6003 |
120 |
|
|