|
|
 | HC-SRF
Ư¡ :
- °í±Þ °íÇÏÁß Á¦Ç°.
- º¼º£¾î¸µ »ç¿ëÇÏ¿© º¸´Ù ±ä ¼ö¸íÀ» À¯Áö.
¿ëµµ :
- °¢Á¾ µµ¾î¿Í ¶óÀÎ ¼³ºñ¿¡ »ç¿ë.
- µµÀå¼³ºñ, °ÇÁ¶Àå, ¿î¹Ý±¸ ¶óÀÎ ¼³Ä¡ µî »ç¿ë.
- ÆÇ³Ú, º¹Â÷·Î¶ó. |
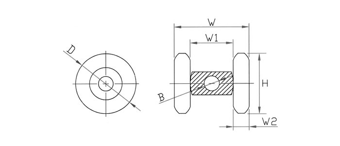
¡á »ç¾ç
| ǰ¹ø |
»óǰ¸í |
¹ÙÄû¿Ü°æ
(D) |
ÀüÃ¼Æø
(W) |
¹ÙÄû»çÀÌÆø
(W1) |
¹ÙÄûÆø
(W2) |
º¼Æ®È¦
(B) |
»ðÀÔº£¾î¸µ
(Z) |
Çã¿ëÇÏÁß
(kg) |
| HC-11006 |
HC-SRF 45F |
45F |
55 |
28 |
13 |
12.5 |
6002 |
100 |
| HC-11007 |
HC-SRF 55F |
55F |
67 |
38.5 |
14 |
16.5 |
6002 |
120 |
| HC-11008 |
HC-SRF 65F |
65F |
81 |
48 |
17 |
16.5 |
6003 |
150 |
| HC-11009 |
HC-SRF 80F |
80F |
84 |
46 |
20 |
16.5 |
6003 |
150 |
| HC-11010 |
HC-SRF 90F |
90F |
120 |
86 |
16 |
16.5 |
6003 |
200 |
|
|