|
|
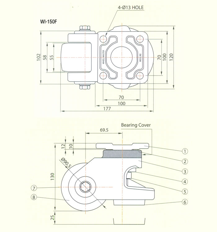
 | Á¦¿ø :
-°³´ç Çã¿ë ÇÏÁß : 1,500kg/EA
-Ãßõ Çã¿ë ÇÏÁß : 3,000kg/4EA
-»ç¿ë¿Âµµ : -10¡ÆC ~ 90¡ÆC
ÀÚÁß :
F-Type : 3.37kg |
Á¦Ç°»ç¾ç
| ǰ¸í |
ÀçÁú |
Ç¥¸éó¸® |
| ÃëºÎÆÇ |
SM45C |
¾Æ¿¬µµ±Ý |
| °±¸ |
STB2 |
´ÏÄÌÅ©·Òµµ±Ý |
| ¸öü |
ADC8 |
»ó¾Æ»ö, Ivory |
| ÇÚµé |
ABS, Nylon-6 |
¾Æ¿¬µµ±Ý |
| Á¶Àýº¼Æ® |
SM45C |
»êó¸® |
| ¹Þħ´ë |
N,B,R |
°ËÁ¤ |
| ÇÉ |
SM45C |
¾Æ¿¬µµ±Ý |
| ¹ÙÄû |
ABS, Nylon-6 |
°ËÁ¤ |
|
|