|
|
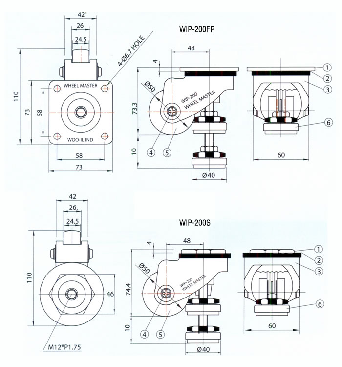
 | Á¦¿ø :
-°³´çÇã¿ëÇÏÁß : 150kg/EA
-ÃßõÇã¿ëÇÏÁß : 450kg/4EA
-ÀÚÁß(F-Type) : 0.58kg
-ÀÚÁß(S-Type) : 0.59kg
»ç¿ë¿Âµµ : -10~+90¡ÆC |
ÀçÁú
| ¹øÈ£ |
ǰ¸í |
ÀçÁú(KS) |
Ç¥¸éó¸® |
| 1 |
ÃëºÎÆÇ |
SM45C |
¾Æ¿¬µµ±Ý |
| 2 |
°±¸ |
STB2 |
´ÏÄÌÅ©·Òµµ±Ý |
| 3 |
¸öü |
ADC8 |
»ó¾Æ»ö |
| 4 |
ÇÉ |
SM45C |
3(+)¾Æ¿¬µµ±Ý |
| 5 |
¹ÙÄû |
Nylon-6 |
°ËÁ¤ |
| 6 |
Á¶ÀýÁ |
SM45C, SPC, NBR |
´ÏÄ̵µ±Ý |
|
|