|
|
 | ¿ëµµ :
- ÇÏ¿ªÀåºñ
- ÃÊÇÏÁß ±â°è¿î¹Ý Àåºñ
- ÃÊÇÏÁß Á¦Ç° ¶Ç´Â Áö±×¿î¹Ý |
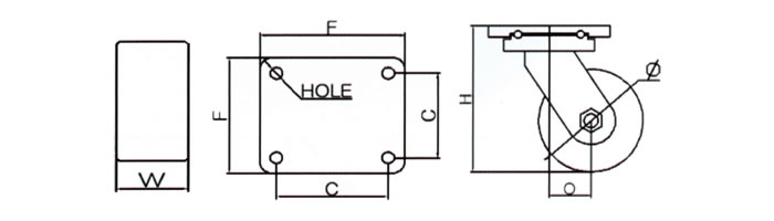
| °íÁ¤ R |
ȸÀü S |
¹ÙÄûÁ¾·ù
(**) |
ÇÏÁõ
(kg) |
¹ÙÄûÁ÷°æ
¡Ë |
¹ÙÄûÆø
(mm) |
º£¾î¸µ |
| PBC8360-R ** |
PBC8360-S ** |
Polyurethane
(PCIB) |
1200 |
150(6") |
64 |
6204ZZ |
| PBC8380-R ** |
PBC8380-S ** |
1200 |
200(8") |
64 |
6204ZZ |
| °íÁ¤ R |
ȸÀü S |
PLATE |
¿É¼Â°Å¸® O |
Àüü³ôÀÌ
H |
| F |
C |
HOLE |
| PBC8360-R ** |
PBC8360-S ** |
175*150 |
135*110 |
¡Ë15 |
60 |
213 |
| PBC8380-R ** |
PBC8380-S ** |
60 |
263 |
 |
|
¨ç ÃëºÎÆÇ : ½ºÆ¿ÆÇ
¨è ¸ö ü : ½ºÆ¿ÆÇ
¨é ¹Ù Äû : ¹ÙÄûÁ¾·ù ÂüÁ¶
¨ê Ç¥¸éó¸® : ¾Æ¿¬(Zn)µµ±Ý |
¡á ¹ÙÄû Á¾·ù
PCIB
- ÁÖÇü¿ì·¹Åº
- ÄÚ¾îCAST IRON
- 2º¼ 6204ZZ º£¾î¸µ |
|
|